Логотип АстронЭнерго

Опоры ТС-626.00.00 серия 5.903-13 выпуск 8-95 с двумя хомутами

Опоры ТС-626.00.00 серия 5.903-13 выпуск 8-95 с двумя хомутами

Опоры ТС-626.00.00 по серии 5.903-13 выпуск 8-95 хомутовые скользящие, с двумя хомутами Дн 194 - 1420 мм.

Серия 5.903-13 Выпуск 8-95 - это стандарт подвижных опор для различного типа трубопроводов. При использовании опор данных стандартов при монтаже, удается достичь минимизирования сдвига трубы. Опоры используются с трубопроводами для сохранения их целостности и защиты от непредвиденных ситуаций. Качественная опора компенсирует сдвиг трубы в результате воздействия посторонней нагрузки. Благодаря использованию комплекса элементов стандарта серии 5.903-13 Выпуск 8-95, можно полностью оборудовать трубопровод и повысить его устойчивость к нагрузкам и термическому воздействия.

Использование опор данных стандартов зарекомендовало себя как качественное решение для монтажа трубопроводов тепловых сетей, так как опоры изготавливаются из прочной стали, защищенной от сильного постороннего воздействия, а также от перепадов температур. При изготовлении опор используются установленные стандарты качества, регламентируется использование определенных типов антикоррозийного покрытия и сварки с использованием различного типа электродов.

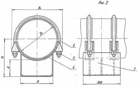
Опоры подвижные хомутовые ТС-626.00.00 предназначены для трубопроводов с рабочим давлением Pу до 4,0 МПа и рабочей температурой tраб до +425 °С.

Изготавливаются по чертежу ТС-626.00.000СБ серии 5.903-13 вып. 8-95 из углеродистой стали 3. Возможно изготовление из стали 20, 09Г2С.

Опора ТС-626 хомутовая с двумя хомутами состоит из:

Корпус — 1 шт. 
Хомут — 2 шт.
Гайка — 8 шт.
Прокладка диэлектрическая — 4 шт.

1768481193133-488092065-opora_ts_626_razmery_2_fill_450x293

 

Технические параметры:

Обозначение Диаметр Dн, мм Вертикальная нагрузка, кН Высота Н, мм Высота Н1, мм Ширина В, мм Ширина В1, мм Длина L, мм Масса, кг
ТС-626.00.000-036 194 22 100 200 180 232 340 19,5
ТС-626.00.000-037 194 22 150 250 180 232 340 12,3
ТС-626.00.000-038 194 22 200 300 180 232 340 14,1
TC-626.00.000-039 219 22 100 215 180 305 340 11,9
ТС-626.00.000-040 219 22 150 265 180 305 340 12,8
ТС-626.00.000-041 219 22 200 315 180 305 340 15,4
ТС-626.00.000-042 273 22 100 240 180 355 340 12,7
ТС-626.00.000-043 273 22 150 290 180 355 340 14,7
ТС-626.00.000-044 273 22 200 340 180 355 340 16,4
ТС-626.00.000-045 325 70 100 265 280 400 340 19,5
ТС-626.00.000-046 325 70 150 315 280 400 340 21,8
ТС-626.00.000-047 325 70 200 365 280 400 340 24,2
ТС-626.00.000-048 377 70 100 292 280 475 340 20,8
ТС-626.00.000-049 377 70 150 342 280 475 340 23,7
ТС-626.00.000-050 377 70 200 392 280 475 340 25,5
ТС-626.00.000-051 426 70 100 318 280 520 340 22,7
ТС-626.00.000-052 426 70 150 368 280 520 340 25,2
ТС-626.00.000-053 426 70 200 418 280 520 340 27,5
ТС-626.00.000-054 480 125 100 345 380 565 340 35,9
ТС-626.00.000-055 480 125 150 395 380 565 340 40,0
ТС-626.00.000-056 480 125 200 445 380 565 340 44,3
ТС-626.00.000-057 530 125 100 370 380 620 340 36,3
ТС-626.00.000-058 530 125 150 420 380 620 340 41,4
TC-626.00.000-059 530 125 200 470 380 620 340 45,5
ТС-626.00.000-060 630 125 100 420 380 735 340 46,5
ТС-626.00.000-061 630 125 150 470 380 735 340 49,7
ТС-626.00.000-062 630 125 200 420 380 735 340 53,9
ТС-626.00.000-063 720 22 100 470 500 835 340 59,6
ТС-626.00.000-064 720 22 150 520 500 835 340 65,3
ТС-626.00.000-065 720 22 200 465 500 835 340 70,8
ТС-626.00.000-066 820 22 100 515 500 925 340 67,7
ТС-626.00.000-067 820 22 150 565 500 925 340 70,8
ТС-626.00.000-068 820 22 200 615 500 925 340 78,9
ТС-626.00.000-069 920 360 100 565 500 1085 340 94,8
ТС-626.00.000-070 920 360 150 615 500 1085 340 101,5
ТС-626.00.000-071 920 360 200 665 500 1085 340 108,2
ТС-626.00.000-072 1020 360 100 615 700 1145 340 122,5
ТС-626.00.000-073 1020 360 150 665 700 1145 340 129,9
ТС-626.00.000-074 1020 360 200 715 700 1145 340 140,7
ТС-626.00.000-075 1220 480 100 715 700 1360 340 148,3
ТС-626.00.000-076 1220 480 150 765 700 1360 340 156,9
ТС-626.00.000-077 1220 480 200 815 700 1360 340 166,0
ТС-626.00.000-078 1420 600 100 815 700 1575 340 163,8
TC-626.00.000-079 1420 600 150 865 700 1575 340 173,8
ТС-626.00.000-080 1420 600 200 915 700 1575 340 184,8

 

 

 

Подбор и поставка

Уточним наличие и подготовим КП по этой позиции

Поможем с подбором исполнения, проверим доступность на складе и отправим коммерческое предложение по выбранной позиции или аналогам.

Смотрите также

Другие подкатегории раздела

Опоры подвижные трубопроводов
подвижные скользящие опоры трубопроводов. Подбор,консультация,продажа со склада в Москве, доставка по РФ
Накладка Т94 серия 4.903-10 выпуск 1 на тройники усиливающая
Накладка Т94 серия 4.903-10 выпуск 1
Крепления газопроводов УКГ Серия 5.905 - 18.05: Узлы и детали крепления газопроводов
Серия 5.905 - 18.05: Узлы и детали крепления газопроводов
Опоры водопровода в футляре
Опоры водопровода в футляре.Подбор,консультация,продажа со склада в Москве, доставка по РФ
Опоры 313.ТС-008.000 скользящие для трубопроводов в ППУ изоляции
Опоры 313.ТС-008.000 скользящие для трубопроводов в ППУ изоляции.Подбор,консультация,продажа со склада в Москве, доставка по РФ
Опоры ТД-1-487-1997.00.000 скользящие для трубопроводов в ППУ изоляции
Опоры ТД-1-487-1997.00.000 Подбор,консультация,продажа со склада в Москве, доставка по РФ
Серия 5.900-7 выпуск 3. Серия 5.900-7 выпуск 4
Серия 5.900-7 выпуск 3. Серия 5.900-7 выпуск 4.Подбор,консультация,продажа со склада в Москве, доставка по РФ
Опоры ГОСТ 30732-2006 скользящие опоры для стальных трубопроводов
Опоры ГОСТ 30732-2006/Подбор,консультация,продажа со склада в Москве, доставка по РФ