Логотип АстронЭнерго

Опоры Т5.00 серия 4.903-10 выпуск 4 неподвижные лобовые четырёхупорные

Опоры  Т5.00 серия 4.903-10 выпуск 4 неподвижные лобовые четырёхупорные

Опоры Т5  серия 4.903-10 выпуск 4 лобовые четырехупорные неподвижные Дн 133 - 1420 мм.

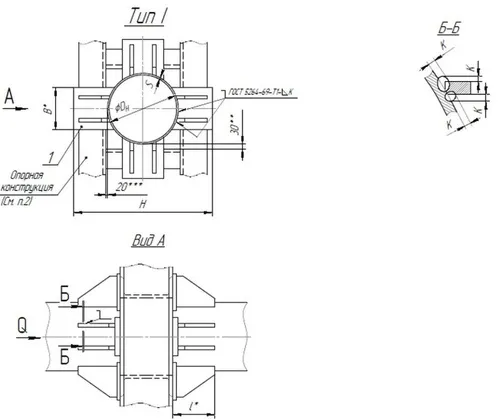
Опоры неподвижные лобовые четырёхупорные Т5.00 предназначены для крепления стальных технологических трубопроводов различного назначения с наружным диаметром dн от 133 до 1420мм. Изготавливаются в соответствии с ТУ-04698606-001-04 ''Опоры трубопроводов'', серия 4.903-10 выпуск 4.
Опора неподвижная Т5 состоит из усиленных упоров, опоры привариваются к трубопроводу при монтаже.
Опора неподвижная лобовая четырехупорная серия 4.903-10 выпуск 4.
Пример условного обозначения опоры неподвижной Т5 для трубопровода Ду 219: 
Опора 219-Т5.05

Опоры вида Т5 относятся к виду неподвижных четырехупорных лобовых. Они могут применяться со стальными трубопроводами с различными показателями протяженности, в различных типах оболочки. Использование данного типа опор обеспечивает качественное и стабильное крепление трубы. Именно опоры Т5 компенсируют сильные сдвиги трубы, которые могут образовываться под воздействием различных внешних сил. Таким образом, использование опор данного типа позволяет обеспечить целостность труб на всей протяженности трубопровода. Использование опор данного типа диктуется необходимостью поддержания правильного положения труб, а также защиты труб от провисания и возникновения аварийной ситуации.

Конструкция опоры типа Т5 позволяет обеспечить четкое крепление трубы. Для этого используются 4 сварных упора, которые обхватывают трубу с различных сторон и придают ей большую устойчивость. Опора Т5 состоит из: Упор — 8 шт.

1769162587741-444816914-opora_t51769162594950-936113206-opora_t5_razmery_1_fill_500x419

Подбор и поставка

Уточним наличие и подготовим КП по этой позиции

Поможем с подбором исполнения, проверим доступность на складе и отправим коммерческое предложение по выбранной позиции или аналогам.

Технические характеристики

Обозначение Наружный диаметр, dн Высота, мм Длина, мм Ширина, мм Масса, кг
Опора неподвижная Т5.02 лобовая 133 260 110 80 8,8
Опора неподвижная Т5.03 лобовая 159 320 112 90 13,2
Опора неподвижная Т5.04 лобовая 194 360 100 13,7
Опора неподвижная Т5.05 лобовая 219 420 152 120 23,3
Опора неподвижная Т5.06 лобовая 273 480 22,5
Опора неподвижная Т5.07 лобовая 325 530 162 25,2
Опора Т5.08 неподвижная лобовая 377 580 140 28,3
Опора неподвижная Т5.09 лобовая 426 660 196 150 53,4
Опора неподвижная Т5.10 лобовая 480 720 180 53,8
Опора неподвижная Т5.11 лобовая 530 770 226 200 54,5
Опора неподвижная Т5.12 лобовая 630 870 240 57,7
Опора неподвижная Т5.13 лобовая 720 960 266 280 76,8
Опора неподвижная Т5.14 лобовая 820 1060 300 80
Опора неподвижная Т5.15 лобовая 920 1160 320 84,8
Опора неподвижная Т5.16 лобовая 1020 1260 285 360 97,6
Опора неподвижная Т5.17 лобовая 1220 1480 336 400 117,6
Опора Т5.18 неподвижная лобовая 1420 1680 500 132

Смотрите также

Другие подкатегории раздела

Опоры подвижные трубопроводов
подвижные скользящие опоры трубопроводов. Подбор,консультация,продажа со склада в Москве, доставка по РФ
Накладка Т94 серия 4.903-10 выпуск 1 на тройники усиливающая
Накладка Т94 серия 4.903-10 выпуск 1
Крепления газопроводов УКГ Серия 5.905 - 18.05: Узлы и детали крепления газопроводов
Серия 5.905 - 18.05: Узлы и детали крепления газопроводов
Опоры водопровода в футляре
Опоры водопровода в футляре.Подбор,консультация,продажа со склада в Москве, доставка по РФ
Опоры 313.ТС-008.000 скользящие для трубопроводов в ППУ изоляции
Опоры 313.ТС-008.000 скользящие для трубопроводов в ППУ изоляции.Подбор,консультация,продажа со склада в Москве, доставка по РФ
Опоры ТД-1-487-1997.00.000 скользящие для трубопроводов в ППУ изоляции
Опоры ТД-1-487-1997.00.000 Подбор,консультация,продажа со склада в Москве, доставка по РФ
Серия 5.900-7 выпуск 3. Серия 5.900-7 выпуск 4
Серия 5.900-7 выпуск 3. Серия 5.900-7 выпуск 4.Подбор,консультация,продажа со склада в Москве, доставка по РФ
Опоры ГОСТ 30732-2006 скользящие опоры для стальных трубопроводов
Опоры ГОСТ 30732-2006/Подбор,консультация,продажа со склада в Москве, доставка по РФ