Логотип АстронЭнерго

Опоры АПЭ 1562.0 серия 5.908-2

Опоры АПЭ 1562.0 серия 5.908-2

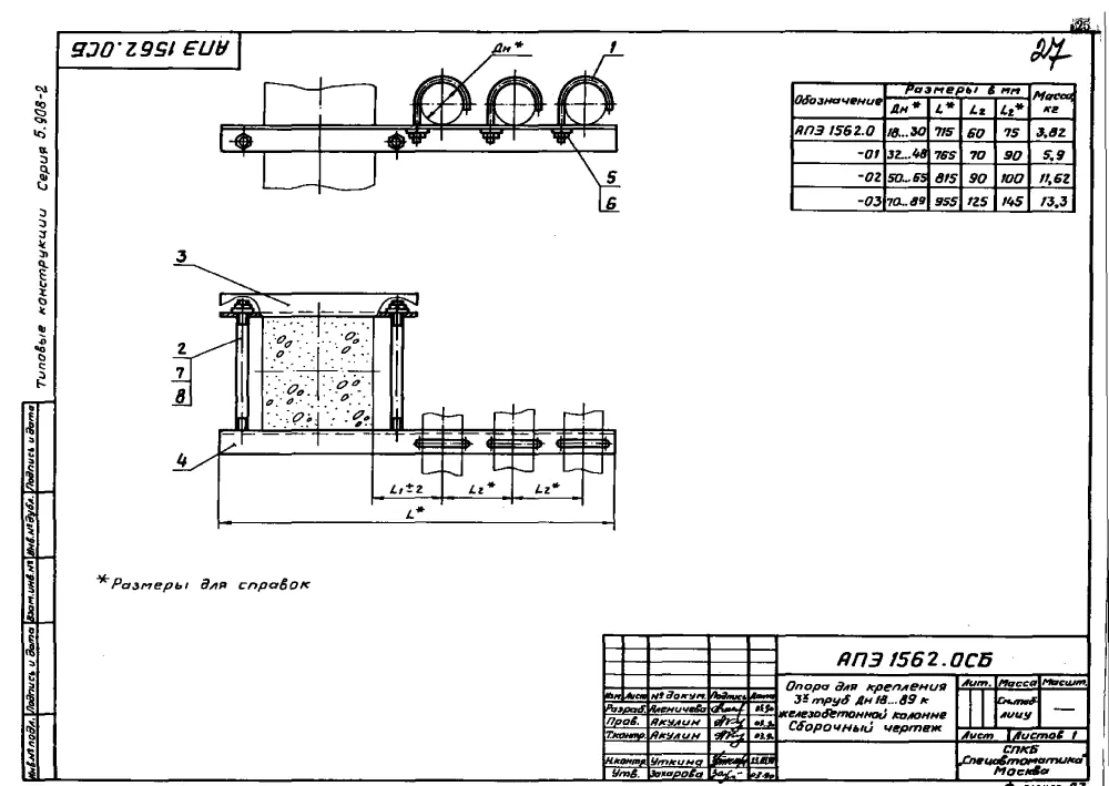
Опоры АПЭ 1562.0 СБ серия 5.908-2 для крепления трех труб к железобетонной колонне Дн 18 - 89 мм

Серия 5.908-2 - это стандарт типовых узлов крепления трубопроводов автоматического пожаротушения, рассчитанные на одновременное действие вертикальных и горизонтальных нагрузок.

Опоры АПЭ 1562.0 СБ применяются для крепления к железобетонным колоннам трех трубопроводов установок автоматического пожаротушения (АУПТ).

Стандартно опоры АПЭ 1562.0 СБ серия 5.908-2  изготавливаются из марок стали сталь 3, 20, 09Г2С. Стандартное покрытие – транспортировочный грунт ГФ-021.

Опоры для крепления труб к железобетонным колоннам АПЭ 1562.0 СБ изготавливаются в соответствии с чертежами типовых конструкций серии 5.908-2.

           

Обозначение Размеры в мм Масса, кг
Дн L L1 L2
АПЭ 1562.0 18...30 715,0 60,0 75,0 3,82
АПЭ 1562.0-01 32...48 765,0 70,0 90,0 5,90
АПЭ 1562.0-02 50...65 815,0 90,0 100,0 11,62
АПЭ 1562.0-03 70...89 955,0 125,0 145,0 13,30

1773075344615-374078503-opora_dlya_krepleniya_truboprovodov_ape_15620

1773075365555-756557818-opora_dlya_krepleniya_truboprovodov_ape_15620_2

Подбор и поставка

Уточним наличие и подготовим КП по этой позиции

Поможем с подбором исполнения, проверим доступность на складе и отправим коммерческое предложение по выбранной позиции или аналогам.

Смотрите также

Другие подкатегории раздела

Опоры подвижные трубопроводов
подвижные скользящие опоры трубопроводов. Подбор,консультация,продажа со склада в Москве, доставка по РФ
Накладка Т94 серия 4.903-10 выпуск 1 на тройники усиливающая
Накладка Т94 серия 4.903-10 выпуск 1
Крепления газопроводов УКГ Серия 5.905 - 18.05: Узлы и детали крепления газопроводов
Серия 5.905 - 18.05: Узлы и детали крепления газопроводов
Опоры водопровода в футляре
Опоры водопровода в футляре.Подбор,консультация,продажа со склада в Москве, доставка по РФ
Опоры 313.ТС-008.000 скользящие для трубопроводов в ППУ изоляции
Опоры 313.ТС-008.000 скользящие для трубопроводов в ППУ изоляции.Подбор,консультация,продажа со склада в Москве, доставка по РФ
Опоры ТД-1-487-1997.00.000 скользящие для трубопроводов в ППУ изоляции
Опоры ТД-1-487-1997.00.000 Подбор,консультация,продажа со склада в Москве, доставка по РФ
Серия 5.900-7 выпуск 3. Серия 5.900-7 выпуск 4
Серия 5.900-7 выпуск 3. Серия 5.900-7 выпуск 4.Подбор,консультация,продажа со склада в Москве, доставка по РФ
Опоры ГОСТ 30732-2006 скользящие опоры для стальных трубопроводов
Опоры ГОСТ 30732-2006/Подбор,консультация,продажа со склада в Москве, доставка по РФ