Логотип АстронЭнерго

Опора А14Б 580.000 серия 5.900-7 выпуск 4

Опора А14Б 580.000 серия 5.900-7 выпуск 4

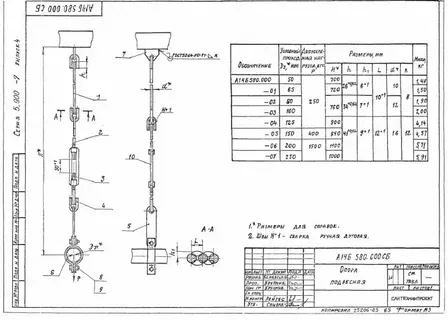
А14Б 580.000 СБ Опора подвесная серия 5.900-7 выпуск 4

Подвески А14Б 580.000 Опоры подвесные. Применяются для крепления горизонтальных трубопроводов, транспортирующих воду и пар с температурой до 150°С, либо холодоноситель с температурой от -15°С до 15°С с максимальным давлением до 1,6 МПа (16 кгс/см2). Условный диаметр прокладываемых трубопроводов Ду 50 – 250 мм.

Опоры подвесные А14Б 580.000 СБ изготавливаются в соответствии с чертежами серии 5.900-7 выпуск 4.

Стандартно  опоры А14Б 580.000 изготавливаются из марки стали Ст.3,20,09Г2С.
Стандартное покрытие — транспортировочный грунт ГФ-021.

1769664544282-247611920-i__2_                          

Обозначение

Условный проход Ду, мм

Допускаемая нагрузка Р, кгс

Размеры, мм

Масса, кг

H

А14Б 580.000

50

250

700,0

1,48

А14Б 580.000-01

65

250

720,0

1,50

А14Б 580.000-02

80

250

760,0

1,90

А14Б 580.000-03

100

250

760,0

2,00

А14Б 580.000-04

125

250

900,0

4,14

А14Б 580.000-05

150

400

950,0

4,57

А14Б 580.000-06

200

1500

1100,0

5,71

А14Б 580.000-07

250

1500

1000,0

5,91

 

Подбор и поставка

Уточним наличие и подготовим КП по этой позиции

Поможем с подбором исполнения, проверим доступность на складе и отправим коммерческое предложение по выбранной позиции или аналогам.

Смотрите также

Другие подкатегории раздела

Опоры подвижные трубопроводов
подвижные скользящие опоры трубопроводов. Подбор,консультация,продажа со склада в Москве, доставка по РФ
Накладка Т94 серия 4.903-10 выпуск 1 на тройники усиливающая
Накладка Т94 серия 4.903-10 выпуск 1
Крепления газопроводов УКГ Серия 5.905 - 18.05: Узлы и детали крепления газопроводов
Серия 5.905 - 18.05: Узлы и детали крепления газопроводов
Опоры водопровода в футляре
Опоры водопровода в футляре.Подбор,консультация,продажа со склада в Москве, доставка по РФ
Опоры 313.ТС-008.000 скользящие для трубопроводов в ППУ изоляции
Опоры 313.ТС-008.000 скользящие для трубопроводов в ППУ изоляции.Подбор,консультация,продажа со склада в Москве, доставка по РФ
Опоры ТД-1-487-1997.00.000 скользящие для трубопроводов в ППУ изоляции
Опоры ТД-1-487-1997.00.000 Подбор,консультация,продажа со склада в Москве, доставка по РФ
Опоры ГОСТ 30732-2006 скользящие опоры для стальных трубопроводов
Опоры ГОСТ 30732-2006/Подбор,консультация,продажа со склада в Москве, доставка по РФ
Хомуты сварные ГОСТ 24138-80
Хомуты сварные по ГОСТ 24138-80. Подбор,консультация,продажа со склада в Москве, доставка по РФ