Логотип АстронЭнерго

Опоры ТС-630.00.00 серия 5.903-13 выпуск 8-95

Опоры ТС-630.00.00  серия 5.903-13 выпуск 8-95

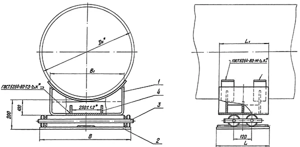
Опоры ТС-630.00.00  серия 5.903-13 выпуск 8-95 катковые с корпусной приварной опорой Дн 720 - 1420 мм.

Опоры катковые ТС-630.00.00 предназначены для трубопроводов с рабочим давлением Pу до 4,0 МПа и рабочей температурой tраб до +425 °С. 

Катковые опоры для трубопроводов диаметром от 720 до 1420 мм. Изготавливаются по чертежу ТС-630.00.000СБ серии 5.903-13 вып. 8-95 из углеродистой стали 3. Возможно изготовление из стали 20, 09Г2С.

Опора ТС-630 катковая состоит из: Плита опорная — 1 шт. Обойма катковая — 1 шт. Опора — 1 шт.

1768483519598-599803842-opora_ts_630_razmery_fill_600x294

 

Технические параметры:

Наименование

Дн

Наибольшая вертикальная нагрузка кН (mc)

Наибольшее перемещение трубопровода

Длина, мм

Ширина, мм

Масса изделия, кг

1

ТС-630.00.000

720

180 (18000)

200

360

660

117,49

2

ТС-630.00.000 - 01

720

180 (18000)

800

640

660

151,15

3

ТС-630.00.000 - 02

820

180 (18000)

200

360

660

116,63

4

ТС-630.00.000 - 03

820

180 (18000)

800

640

660

149,99

5

ТС-630.00.000 - 04

920

220 (22000)

200

360

660

124,69

6

ТС-630.00.000 - 05

920

220 (22000)

800

640

660

162,62

7

ТС-630.00.000 - 06

1020

300 (30000)

200

360

860

167,79

8

ТС-630.00.000 - 07

1020

300 (30000)

800

640

860

217,28

9

ТС-630.00.000 - 08

1220

400 (40000)

200

360

860

169,63

10

ТС-630.00.000 - 09

1220

300 (30000)

800

640

860

218,22

11

ТС-630.00.000 - 10

1420

500 (50000)

200

360

860

180,07

12

ТС-630.00.000 - 11

1420

300 (30000)

800

640

860

234,90

 

Подбор и поставка

Уточним наличие и подготовим КП по этой позиции

Поможем с подбором исполнения, проверим доступность на складе и отправим коммерческое предложение по выбранной позиции или аналогам.

Смотрите также

Другие подкатегории раздела

Опоры подвижные трубопроводов
подвижные скользящие опоры трубопроводов. Подбор,консультация,продажа со склада в Москве, доставка по РФ
Накладка Т94 серия 4.903-10 выпуск 1 на тройники усиливающая
Накладка Т94 серия 4.903-10 выпуск 1
Крепления газопроводов УКГ Серия 5.905 - 18.05: Узлы и детали крепления газопроводов
Серия 5.905 - 18.05: Узлы и детали крепления газопроводов
Опоры водопровода в футляре
Опоры водопровода в футляре.Подбор,консультация,продажа со склада в Москве, доставка по РФ
Опоры 313.ТС-008.000 скользящие для трубопроводов в ППУ изоляции
Опоры 313.ТС-008.000 скользящие для трубопроводов в ППУ изоляции.Подбор,консультация,продажа со склада в Москве, доставка по РФ
Опоры ТД-1-487-1997.00.000 скользящие для трубопроводов в ППУ изоляции
Опоры ТД-1-487-1997.00.000 Подбор,консультация,продажа со склада в Москве, доставка по РФ
Серия 5.900-7 выпуск 3. Серия 5.900-7 выпуск 4
Серия 5.900-7 выпуск 3. Серия 5.900-7 выпуск 4.Подбор,консультация,продажа со склада в Москве, доставка по РФ
Опоры ГОСТ 30732-2006 скользящие опоры для стальных трубопроводов
Опоры ГОСТ 30732-2006/Подбор,консультация,продажа со склада в Москве, доставка по РФ