Логотип АстронЭнерго

Опоры ТС-627.00.00 серия 5.903-13 выпуск 8-95 с двумя бугелями

Опоры ТС-627.00.00  серия 5.903-13 выпуск 8-95 с двумя бугелями

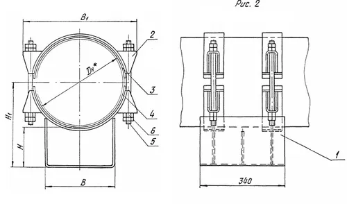
Опоры ТС-627.00.00 серия 5.903-13 выпуск 8-95 бугельного типа скользящие, с двумя бугелями Дн 377 - 1420 мм.

Опоры подвижные бугельные ТС-627.00.00 предназначены для трубопроводов с рабочим давлением Pу до 4,0 МПа и рабочей температурой tраб до +425 °С. 

Бугельные опоры для трубопроводов диаметром от 377 до 1420 мм. Изготавливаются по чертежу ТС-627.00.000СБ серии 5.903-13 вып. 8-95 из углеродистой стали 3. Возможно изготовление из стали 20, 09Г2С.

Опора ТС-627 бугельного типа с двумя бугелями состоит из:

Корпус — 1 шт. Бугель -2 шт. Шпилька — 4 шт. Гайка — 16 шт. Прокладка диэлектрическая — 4 шт.

1768482699927-955696304-opora_ts_627_razmery_2_fill_500x294

Технические параметры:

Наименование

Дн

Наибольшая вертикальная нагрузка кН (mc)

Высота, мм

Ширина, мм

Масса изделия, кг

16

ТС-627.00.000 - 15

377

70 (7000)

292

485

22

17

ТС-627.00.000 - 16

377

70 (7000)

342

485

25

18

ТС-627.00.000 - 17

377

70 (7000)

392

485

27

19

ТС-627.00.000 - 18

426

70 (7000)

318

540

26

20

ТС-627.00.000 - 19

426

70 (7000)

368

540

29

21

ТС-627.00.000 - 20

426

70 (7000)

418

540

31

22

ТС-627.00.000 - 21

480

125 (12500)

345

600

42

23

ТС-627.00.000 - 22

480

125 (12500)

395

600

46

24

ТС-627.00.000 - 23

480

125 (12500)

445

600

51

25

ТС-627.00.000 - 24

530

125 (12500)

370

650

48

26

ТС-627.00.000 - 25

530

125 (12500)

420

650

52

27

ТС-627.00.000 - 26

530

125 (12500)

470

650

56

28

ТС-627.00.000 - 27

630

125 (12500)

420

745

59

29

ТС-627.00.000 - 28

630

125 (12500)

470

745

63

30

ТС-627.00.000 - 29

630

125 (12500)

520

745

66

31

ТС-627.00.000 - 30

720

220 (22000)

465

860

73

32

ТС-627.00.000 - 31

720

220 (22000)

515

860

79

33

ТС-627.00.000 - 32

720

220 (22000)

565

860

84

34

ТС-627.00.000 - 33

820

220 (22000)

515

960

80

35

ТС-627.00.000 - 34

820

220 (22000)

565

960

86

36

ТС-627.00.000 - 35

820

220 (22000)

615

960

91

37

ТС-627.00.000 - 36

920

360 (36000)

565

1010

113

38

ТС-627.00.000 - 37

920

360 (36000)

615

1010

119

39

ТС-627.00.000 - 38

920

360 (36000)

665

1010

126

40

ТС-627.00.000 - 39

1020

360 (36000)

615

1185

142

41

ТС-627.00.000 - 40

1020

360 (36000)

665

1185

151

42

ТС-627.00.000 - 41

1020

360 (36000)

715

1185

160

43

ТС-627.00.000 - 42

1220

480 (48000)

715

1380

161

44

ТС-627.00.000 - 43

1220

480 (48000)

765

1380

163

45

ТС-627.00.000 - 44

1220

480 (48000)

815

1380

178

46

ТС-627.00.000 - 45

1420

600 (60000)

815

1590

180

47

ТС-627.00.000 - 46

1420

600 (60000)

865

1590

190

48

ТС-627.00.000 - 47

1420

600 (60000)

915

1590

201

 

Подбор и поставка

Уточним наличие и подготовим КП по этой позиции

Поможем с подбором исполнения, проверим доступность на складе и отправим коммерческое предложение по выбранной позиции или аналогам.

Смотрите также

Другие подкатегории раздела

Опоры подвижные трубопроводов
подвижные скользящие опоры трубопроводов. Подбор,консультация,продажа со склада в Москве, доставка по РФ
Накладка Т94 серия 4.903-10 выпуск 1 на тройники усиливающая
Накладка Т94 серия 4.903-10 выпуск 1
Крепления газопроводов УКГ Серия 5.905 - 18.05: Узлы и детали крепления газопроводов
Серия 5.905 - 18.05: Узлы и детали крепления газопроводов
Опоры водопровода в футляре
Опоры водопровода в футляре.Подбор,консультация,продажа со склада в Москве, доставка по РФ
Опоры 313.ТС-008.000 скользящие для трубопроводов в ППУ изоляции
Опоры 313.ТС-008.000 скользящие для трубопроводов в ППУ изоляции.Подбор,консультация,продажа со склада в Москве, доставка по РФ
Опоры ТД-1-487-1997.00.000 скользящие для трубопроводов в ППУ изоляции
Опоры ТД-1-487-1997.00.000 Подбор,консультация,продажа со склада в Москве, доставка по РФ
Серия 5.900-7 выпуск 3. Серия 5.900-7 выпуск 4
Серия 5.900-7 выпуск 3. Серия 5.900-7 выпуск 4.Подбор,консультация,продажа со склада в Москве, доставка по РФ
Опоры ГОСТ 30732-2006 скользящие опоры для стальных трубопроводов
Опоры ГОСТ 30732-2006/Подбор,консультация,продажа со склада в Москве, доставка по РФ