Логотип АстронЭнерго

Опора АПЭ 1411.0 серия 5.908-1

Опора АПЭ 1411.0 серия 5.908-1

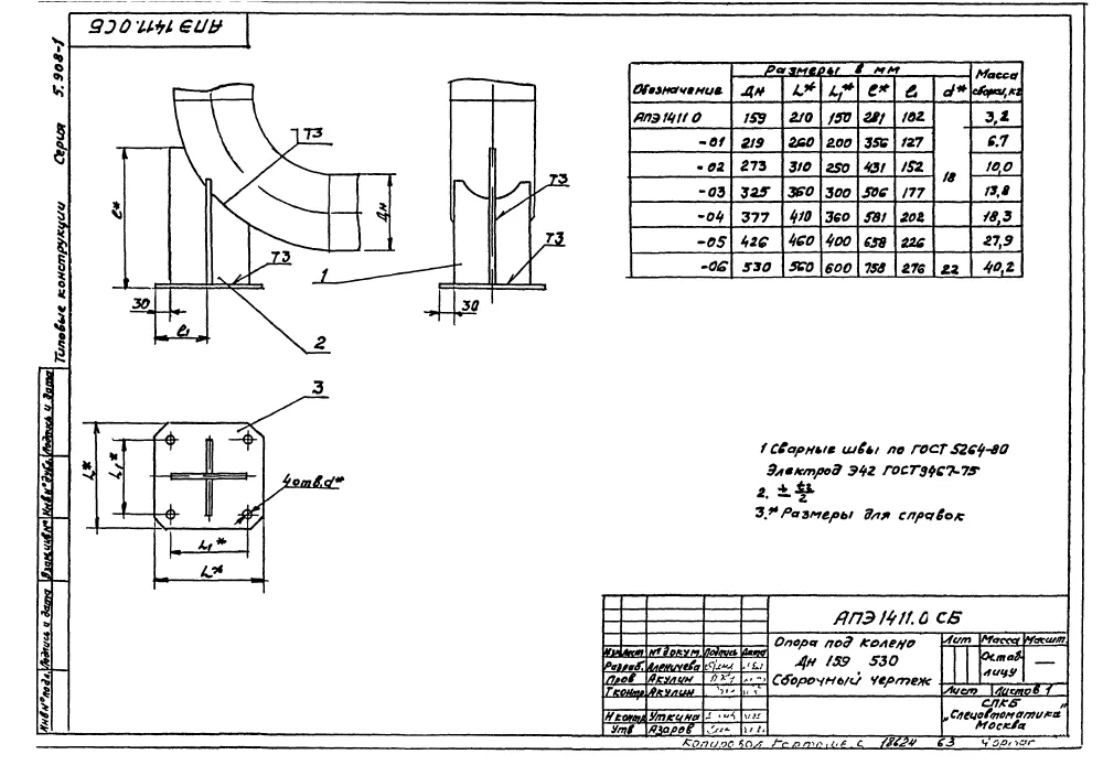
Опора АПЭ 1411.0 СБ серия 5.908-1 под колено Дн 159-530 мм

Серия 5.908-1 - это стандарт типовых узлов крепления трубопроводов автоматического пожаротушения, рассчитанные на одновременное действие вертикальных и горизонтальных нагрузок.

Опора АПЭ 1411.0  применяются для крепления к металлоконструкциям трубопроводов установок автоматического пожаротушения (АУПТ). Наружный диаметр прокладываемых трубопроводов Дн 18 – 89 мм.
Стандартно  опоры АПЭ серия 5.908-1 изготавливаются из марок сталь 3, 20, 09Г2С. Стандартное покрытие – транспортировочный грунт ГФ-021.
Опора АПЭ 1411.0 СБ изготавливаются в соответствии с чертежами типовых конструкций серии 5.908-1

  

Обозначение Наружный диаметр трубопровода Дн, мм Теоритическая масса Высота опоры lмм Размер основания L, мм Диаметр отверстий d, мм
АПЭ 1411.0 159 3.20 кг. 281 210 18
АПЭ 1411.0-01 219 6.70 кг. 356 260 18
АПЭ 1411.0-02 273 10.00 кг. 431 310 18
АПЭ 1411.0-03 325 13.80 кг. 506 360 18
АПЭ 1411.0-04 377 18.30 кг. 581 410 18
АПЭ 1411.0-05 426 27.90 кг. 658 460 18
АПЭ 1411.0-06 530 40.20 кг. 758 560 22

1773061615692-130693646-opora_pod_koleno_ape_14110

1773061631270-139639033-opora_pod_koleno_ape_14110_2

              

Подбор и поставка

Уточним наличие и подготовим КП по этой позиции

Поможем с подбором исполнения, проверим доступность на складе и отправим коммерческое предложение по выбранной позиции или аналогам.

Смотрите также

Другие подкатегории раздела

Опоры подвижные трубопроводов
подвижные скользящие опоры трубопроводов. Подбор,консультация,продажа со склада в Москве, доставка по РФ
Накладка Т94 серия 4.903-10 выпуск 1 на тройники усиливающая
Накладка Т94 серия 4.903-10 выпуск 1
Крепления газопроводов УКГ Серия 5.905 - 18.05: Узлы и детали крепления газопроводов
Серия 5.905 - 18.05: Узлы и детали крепления газопроводов
Опоры водопровода в футляре
Опоры водопровода в футляре.Подбор,консультация,продажа со склада в Москве, доставка по РФ
Опоры 313.ТС-008.000 скользящие для трубопроводов в ППУ изоляции
Опоры 313.ТС-008.000 скользящие для трубопроводов в ППУ изоляции.Подбор,консультация,продажа со склада в Москве, доставка по РФ
Опоры ТД-1-487-1997.00.000 скользящие для трубопроводов в ППУ изоляции
Опоры ТД-1-487-1997.00.000 Подбор,консультация,продажа со склада в Москве, доставка по РФ
Серия 5.900-7 выпуск 3. Серия 5.900-7 выпуск 4
Серия 5.900-7 выпуск 3. Серия 5.900-7 выпуск 4.Подбор,консультация,продажа со склада в Москве, доставка по РФ
Опоры ГОСТ 30732-2006 скользящие опоры для стальных трубопроводов
Опоры ГОСТ 30732-2006/Подбор,консультация,продажа со склада в Москве, доставка по РФ