Логотип АстронЭнерго

Отводы

Детали предназначаются для соединения труб из углеродистой стали при строительстве технологических трубопроводов, в том числе трубопроводов, на которые распространяются правила устройства и безопасной эксплуатации трубопроводов пара и горячей воды. Госгортехнадзора на предприятиях химической и нефтехимической промышленности.
Подбор и поставка

Поможем подобрать исполнение и типоразмер

Уточним различия между позициями в этом разделе, проверим наличие на складе и подготовим коммерческое предложение под ваш запрос.

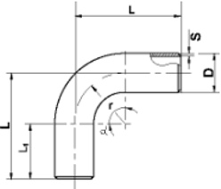
Отводы сварные секторные ОСТ 34.10.752-97

Краткие технические характеристики Условное давление, PN (Ру): 1,6(2,5) МПа Наружный диаметр, D: 426 - 1620 мм Температура, t°С: до + 350° Угол, гр.: 15,30,45,60,90 Радиус гиба, R: 1,0 и 1,5 Ду Материал: 20, 12ГС, 09Г2С

Отводы сварные секторные ОСТ 36-21-77

Краткие технические характеристики Условное давление, РN (Ру): Наружный диаметр, D: 530 - 1420 мм Температура, t°С: от - 30°С до + 350° Угол, гр.: 30,45,60,90 Радиус гиба, R: 1,5 Ду Материал: 20, 17Г1С, 09Г2С

Отводы сварные секторные ТУ 102-488-95

Краткие технические характеристики Условное давление, PN (Ру), МПа: до 10,0 Условный диаметр, D, мм: 530-1420 Температура, t°C при монтаже: до -60°С Температура, t°C при эксплуатации: до -40°С Угол, гр.: 30°,45°,60°,90° Радиус гиба, R: 1,5 Ду Материал: 20, 12ГС, 09Г2С, 10Г2ФБЮ

Отводы крутоизогнутые ГОСТ 17375-83

Краткие технические характеристики Условное давление, PN (Ру), МПа: до 16 Наружный диаметр, D, мм: 32-820 Температура, t°C: От - 70° до + 450° Угол, гр.: 45, 60, 90 Материал: углеродистые, высоко- и низколегированные стали

Отводы крутоизогнутые ГОСТ 30753-01

Краткая техническая характеристика: Условное давление, PN (Ру) Наружный диаметр, D От 530 - 720 мм Температура, t°С от -70°С до +450° Угол, O гр. 45, 60, 90° Радиус гиба, R 2 D Материал, 20, 09Г2С

Отводы крутоизогнутые ТУ 1468-012-01395041-01

Краткая техническая характеристика: Условное давление, PN (Ру) 16 МПа (160 кгс/см2) Наружный диаметр, D 720 - 1020 мм Угол, гр. 90° Строит. длина L=R, мм 1,0 и 1,5 Ду Материал 20, 09Г2С

Отводы крутоизогнутые ТУ 1468-120-1411419-93

Краткая техническая характеристика: Условное давление, PN (Ру) 16 МПа (160 кгс/см2) Наружный диаметр, D 45 - 159 мм Угол, гр. 90° Радиус гиба R, мм 1,5 Ду Материал 12Х18Н10Т

Отводы крутоизогнутые ASME B16.9

Краткая техническая характеристика: Условный диаметр, D 1/2-3 (дюйм) Наружный диаметр, Dн, 21,3-406 мм Угол, гр. 90° Радиус гиба R, мм 38,1- 609,6 мм Материал cталь WPB

Отводы крутоизогнутые DIN 2605

Краткая техническая характеристика: Условное давление, PN (Ру) 10 МПа (100 кгс/см2) Условный диаметр, D 15-500 мм Наружный диаметр, Dн, 21,3-508 мм Угол, гр. 90° Радиус гиба R, мм 21,3 - 508 мм Материал cталь WPB

Отводы крутоизогнутые ОСТ 34.10.699–97

Краткая техническая характеристика: Условное давление, PN (Ру) Наружный диаметр, D От 45 - 630 мм Температура, t°С До +350°С Угол, гр. 30,45,60,90° Материал 20, 09Г2С

Отводы крутоизогнутые ОСТ 34.10.418–90

Отводы крутоизогнутые ОСТ 34.10.418–90. ОСТ 34.10.418–90, ОСТ 34-10-416, ГОСТ 9940. Подбор по проекту, доставка по РФ.

Отводы крутоизогнутые ТУ 1469-014-01395041-03

Краткая техническая характеристика: Условное давление, PN (Ру) 10 МПа (100 кгс/см2) Наружный диаметр, D 57 - 1220 мм Угол, гр. 45°, 90° Радиус гиба R, мм 1Ду, 1,5 Ду Материал 20 (К42), 09Г2С (К48), 17Г1С (К52), 10Г2ФБЮ (К60)

Отводы крутоизогнутые ТУ 26-18-38-90

Отводы крутоизогнутые ТУ 26-18-38-90. ТУ 26-18-38-90, ГОСТ 550, ГОСТ 9941. Подбор по проекту, доставка по РФ.

Отводы гнутые ОСТ 34.10.420–90

Отводы гнутые ОСТ 34.10.420–90. ОСТ 34.10.420–90, ГОСТ 9940, ГОСТ 9941. Подбор по проекту, доставка по РФ.

Отводы гнутые ГОСТ 22793–83

Отводы гнутые ГОСТ 22793–83. ГОСТ 22793–83, ГОСТ 1050, ГОСТ 20072. Подбор по проекту, доставка по РФ.

Отводы гнутые ТУ 51–515–91

Отводы гнутые ТУ 51–515–91. ТУ 51–515–91, ГОСТ 550, ГОСТ 8731. Подбор по проекту, доставка по РФ.

Отводы гнутые ОСТ 36-42-81

Отводы гнутые ОСТ 36-42-81. ОСТ 36-42-81, ГОСТ 10704, ГОСТ 10705. Подбор по проекту, доставка по РФ.

Отводы гнутые ОСТ 34-10-421-90

Отводы гнутые ОСТ 34-10-421-90. ОСТ 34-10-421-90, ОСТ 34-10-416, ГОСТ 9940. Подбор по проекту, доставка по РФ.

Отводы гнутые ТУ 1468-007-002203222-01

Краткая техническая характеристика: Условное давление, PN (Ру) 6,3-10,0 МПа Наружный диаметр, Дн От 32 - 159 мм Угол, гр. От 15° до 90° Радиус гиба, R 3-6 Дн Материал 20, 10Г2, 09Г2С.

Отводы штампосварные ТУ 102-488-95

Краткая техническая характеристика: Условное давление, PN (Ру) Наружный диаметр, D От 720 - 1420 мм Температура, t°С от -60°С до +150°С Угол, гр. 30°,45°,60°,90° Радиус гиба, R 1,0 и 1,5 Ду Материал 20, 12ГС, 09Г2С

Другие подкатегории раздела

Переходы
Переходы стальные концентрические и эксцентрические. Используются для соединения труб различных диаметров. Изготовление методом штамповки (бесшовные) или сварки (листовые) по ГОСТ 17378-2001 и ОСТ. Широкий выбор типоразмеров для любых давлений.
Тройники
Тройники стальные равнопроходные и переходные. Детали для создания ответвлений от магистрального трубопровода. Штампованные (ГОСТ 17376-2001), сварные (ОСТ 36-24-77, ОСТ 34.10.762-97) и штампосварные тройники для теплосетей и нефтегазопроводов.
Фланцы
Фланцы стальные плоские и воротниковые. Соединительные части для монтажа арматуры, труб и оборудования. Фланцы по ГОСТ 12820-80, ГОСТ 12821-80 (ГОСТ 33259-2015). Различные исполнения уплотнительных поверхностей.
Заглушки, днище
Заглушки и днища эллиптические. Детали для герметичного закрытия концевых участков трубопроводов и изготовления емкостей. Эллиптические заглушки по ГОСТ 17379-2001, плоские приварные и фланцевые заглушки (АТК, ОСТ).