Логотип АстронЭнерго

Опоры А14Б 546.000 серия 5.900-7 выпуск 3

Опоры А14Б 546.000  серия 5.900-7 выпуск 3

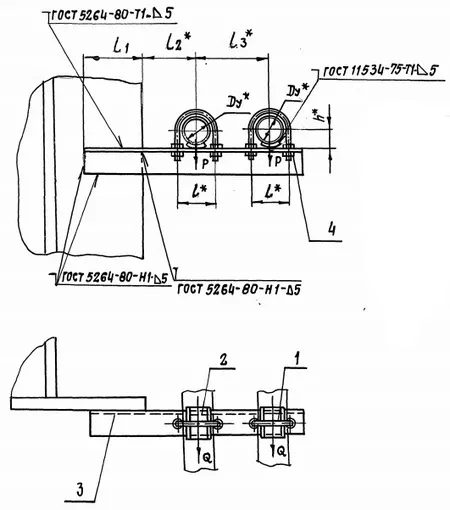
Опоры А14Б 546.000  серии 5.900-7 выпуск 3 подвижные хомутовые двухрядные с креплением к металлической колонне Ду 50 - 80 мм

Опоры А14Б 546.000 применяются для крепления к металлическим колоннам трубопроводов, транспортирующих воду и пар с температурой до +150°С, либо холодоноситель с температурой от -15°С до +15°С с максимальным давлением до 1,6 МПа (16 кгс/см2).

Стандартно подвижные двухрядные опоры А14Б 546.000 изготавливаются из марки стали Ст.3, 09Г2С, 20. Стандартное покрытие — транспортировочный грунт ГФ-021.

1768372775003-503047382-opora_a14b_546_razmery_fill_450x510

Обозначение

Условный проход Ду, мм

Допускаемые нагрузки, кгс

Размеры, мм

Масса, кг

Верттикальн.

Горизонтальн.

l₁

l₂

l₃

Р

Q

А14Б 546.000

50

40

12

110,0

100,0

140,0

1,78

А14Б 546.000-01

65

56

17

125,0

120,0

160,0

2,73

А14Б 546.000-02

80

72

22

130,0

130,0

175,0

3,50

 

Подбор и поставка

Уточним наличие и подготовим КП по этой позиции

Поможем с подбором исполнения, проверим доступность на складе и отправим коммерческое предложение по выбранной позиции или аналогам.

Смотрите также

Другие подкатегории раздела

Опоры подвижные трубопроводов
подвижные скользящие опоры трубопроводов. Подбор,консультация,продажа со склада в Москве, доставка по РФ
Накладка Т94 серия 4.903-10 выпуск 1 на тройники усиливающая
Накладка Т94 серия 4.903-10 выпуск 1
Крепления газопроводов УКГ Серия 5.905 - 18.05: Узлы и детали крепления газопроводов
Серия 5.905 - 18.05: Узлы и детали крепления газопроводов
Опоры водопровода в футляре
Опоры водопровода в футляре.Подбор,консультация,продажа со склада в Москве, доставка по РФ
Опоры 313.ТС-008.000 скользящие для трубопроводов в ППУ изоляции
Опоры 313.ТС-008.000 скользящие для трубопроводов в ППУ изоляции.Подбор,консультация,продажа со склада в Москве, доставка по РФ
Опоры ТД-1-487-1997.00.000 скользящие для трубопроводов в ППУ изоляции
Опоры ТД-1-487-1997.00.000 Подбор,консультация,продажа со склада в Москве, доставка по РФ
Опоры ГОСТ 30732-2006 скользящие опоры для стальных трубопроводов
Опоры ГОСТ 30732-2006/Подбор,консультация,продажа со склада в Москве, доставка по РФ
Хомуты сварные ГОСТ 24138-80
Хомуты сварные по ГОСТ 24138-80. Подбор,консультация,продажа со склада в Москве, доставка по РФ