Логотип АстронЭнерго

Гильзы А14Б 594.000  серия 5.900-7 выпуск 4

Гильзы А14Б 594.000  серия 5.900-7 выпуск 4

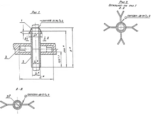
Гильзы А14Б 594.000  серия 5.900-7 выпуск 4 для прохода труб через перекрытие Ду 50 - 250 мм

Гильзы А14Б 594.000  для прохода труб через перекрытие. Применяются для крепления трубопроводов, транспортирующих воду и пар с температурой до 150°С, либо холодоноситель с температурой от -15°С до 15°С с максимальным давлением до 1,6 МПа (16 кгс/см2).

Условный диаметр прокладываемых трубопроводов Ду 50 – 250 мм.

Стандартно  гильзы А14Б 594.000 изготавливаются из марок стали сталь 3, 20, 09Г2С. Стандартное покрытие – транспортировочный грунт ГФ-021.

Гильзы для прохода труб через перекрытие А14Б 594.000 СБ изготавливаются в соответствии с чертежами серии 5.900-7 выпуск 4

1769837443406-861764147-gilza_a14b_594_fill_250x240                            1769837454399-689024678-gilza_a14b_594_razmery_fill_500x377

Обозначение

Рис.

Условный проход Ду, мм

Размеры, мм

Масса, кг

L

Н

А14Б 594.000

1

50

276,0

327,0

2,01

А14Б 594.000-01

1

65

289,0

342,0

2,70

А14Б 594.000-02

1

80

308,0

345,0

3,61

А14Б 594.000-03

2

100

333,0

357,0

4,76

А14Б 594.000-04

2

125

359,0

374,0

6,21

А14Б 594.000-05

2

150

419,0

396,0

10,75

А14Б 594.000-06

2

200

473,0

447,0

15,81

А14Б 594.000-07

2

250

525,0

495,0

21,55

 

Подбор и поставка

Уточним наличие и подготовим КП по этой позиции

Поможем с подбором исполнения, проверим доступность на складе и отправим коммерческое предложение по выбранной позиции или аналогам.

Смотрите также

Другие подкатегории раздела

Опоры подвижные трубопроводов
подвижные скользящие опоры трубопроводов. Подбор,консультация,продажа со склада в Москве, доставка по РФ
Накладка Т94 серия 4.903-10 выпуск 1 на тройники усиливающая
Накладка Т94 серия 4.903-10 выпуск 1
Крепления газопроводов УКГ Серия 5.905 - 18.05: Узлы и детали крепления газопроводов
Серия 5.905 - 18.05: Узлы и детали крепления газопроводов
Опоры водопровода в футляре
Опоры водопровода в футляре.Подбор,консультация,продажа со склада в Москве, доставка по РФ
Опоры 313.ТС-008.000 скользящие для трубопроводов в ППУ изоляции
Опоры 313.ТС-008.000 скользящие для трубопроводов в ППУ изоляции.Подбор,консультация,продажа со склада в Москве, доставка по РФ
Опоры ТД-1-487-1997.00.000 скользящие для трубопроводов в ППУ изоляции
Опоры ТД-1-487-1997.00.000 Подбор,консультация,продажа со склада в Москве, доставка по РФ
Опоры ГОСТ 30732-2006 скользящие опоры для стальных трубопроводов
Опоры ГОСТ 30732-2006/Подбор,консультация,продажа со склада в Москве, доставка по РФ
Хомуты сварные ГОСТ 24138-80
Хомуты сварные по ГОСТ 24138-80. Подбор,консультация,продажа со склада в Москве, доставка по РФ