Логотип АстронЭнерго

Опоры ТС-670.00.00 серия 5.903-13 выпуск 7-95 хомутовые неподвижные с корпусом

Опоры ТС-670.00.00  серия 5.903-13 выпуск 7-95 хомутовые неподвижные с корпусом

Опоры ТС-670.00.00 серия 5.903-13 выпуск 7-95 хомутовые неподвижные с корпусом Дн 57 - 377 мм.

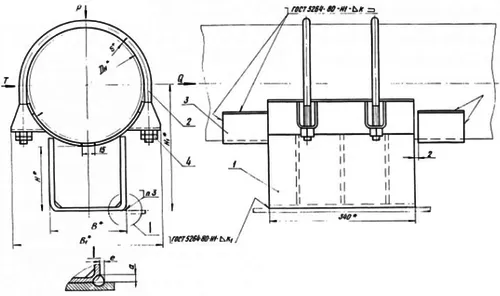
Неподвижные корпусные хомутовые опоры для трубопроводов диаметром от 57 до 377 мм. Изготавливаются по чертежу ТС-670.00.00 СБ из ууглеродистой стали 3. Возможно изготовление из стали 20, 09Г2С.

Опоры неподвижные хомутовые ТС-670.00.00 с корпусом предназначены для трубопроводов с рабочим давлением Pу до 4,0 МПа и рабочей температурой tраб до +425 °С.  Опора ТС-670 состоит из: Корпус — 1 шт. Упор — 4 шт. Хомут — 2 шт. Гайка — 8 шт.

1768628871999-205520852-opora_ts_670_razmery_fill_500x296

Технические параметры:

Наименование

Дн

Осевая сила Q, кН (mc)

Боковая сила
Т, кН (mc)

Вертикальная сила Р, кН (mc)

Н1

В1

Масса изделия, кг

1

ТС-670.00.00

57

20 (2)

-

10 (0,1)

130

95

3,8

2

ТС-670.00.00 - 01

20 (2)

-

10 (0,1)

180

95

4,4

3

ТС-670.00.00 - 02

20 (2)

-

10 (0,1)

230

95

4,0

4

ТС-670.00.00 - 03

76

20 (2)

-

10 (0,1)

138

115

4,3

5

ТС-670.00.00 - 04

20 (2)

-

10 (0,1)

188

115

5,5

6

ТС-670.00.00 - 05

20 (2)

-

10 (0,1)

238

115

6,6

7

ТС-670.00.00 - 06

89

20 (2)

-

4,2 (0,42)

145

130

4,8

8

ТС-670.00.00 - 07

20 (2)

-

4,2 (0,42)

195

130

5,9

9

ТС-670.00.00 - 08

20 (2)

-

4,2 (0,42)

245

130

7,1

10

ТС-670.00.00 - 09

108

50 (5)

20 (2)

5,7 (0,57)

154

150

6,3

11

ТС-670.00.00 - 10

50 (5)

20 (2)

5,7 (0,57)

204

150

7,6

12

ТС-670.00.00 - 11

50 (5)

20 (2)

5,7 (0,57)

254

150

8,9

13

ТС-670.00.00 - 12

133

60 (6)

20 (2)

6,0 (0,60)

165

195

7,9

14

ТС-670.00.00 - 13

60 (6)

20 (2)

6,0 (0,60)

215

195

9,9

15

ТС-670.00.00 - 14

60 (6)

20 (2)

6,0 (0,60)

265

195

10,5

16

ТС-670.00.00 - 15

159

60 (6)

20 (2)

8,8 (0,88)

180

220

10,9

17

ТС-670.00.00 - 16

60 (6)

20 (2)

8,8 (0,88)

230

220

12,2

18

ТС-670.00.00 - 17

60 (6)

20 (2)

8,8 (0,88)

280

220

13,5

19

ТС-670.00.00 - 18

219

160 (16)

100 (10)

12,5 (1,25)

210

290

20,9

20

ТС-670.00.00 - 19

160 (16)

100 (10)

12,5 (1,25)

260

290

23,7

21

ТС-670.00.00 - 20

160 (16)

100 (10)

12,5 (1,25)

310

290

26,5

22

ТС-670.00.00 - 21

273

240 (24)

150 (15)

24,2 (2,40)

237

360

24,5

23

ТС-670.00.00 - 22

240 (24)

150 (15)

24,2 (2,40)

287

360

27,4

24

ТС-670.00.00 - 23

 

240 (24)

150 (15)

24,2 (2,40)

337

360

30,2

25

ТС-670.00.00 - 24

325

300 (30)

200 (20)

31,0 (3,10)

263

435

30,5

26

ТС-670.00.00 - 25

300 (30)

200 (20)

31,0 (3,10)

313

435

33,9

27

ТС-670.00.00 - 26

300 (30)

200 (20)

31,0 (3,10)

363

435

37,3

28

ТС-670.00.00 - 27

377

380 (38)

200 (20)

37,0 (3,70)

289

485

32,8

29

ТС-670.00.00 - 28

380 (38)

200 (20)

37,0 (3,70)

339

485

36.2

30

ТС-670.00.00 - 29

380 (38)

200 (20)

37,0 (3,70)

389

485

39,6

 

Подбор и поставка

Уточним наличие и подготовим КП по этой позиции

Поможем с подбором исполнения, проверим доступность на складе и отправим коммерческое предложение по выбранной позиции или аналогам.

Смотрите также

Другие подкатегории раздела

Опоры подвижные трубопроводов
подвижные скользящие опоры трубопроводов. Подбор,консультация,продажа со склада в Москве, доставка по РФ
Накладка Т94 серия 4.903-10 выпуск 1 на тройники усиливающая
Накладка Т94 серия 4.903-10 выпуск 1
Крепления газопроводов УКГ Серия 5.905 - 18.05: Узлы и детали крепления газопроводов
Серия 5.905 - 18.05: Узлы и детали крепления газопроводов
Опоры водопровода в футляре
Опоры водопровода в футляре.Подбор,консультация,продажа со склада в Москве, доставка по РФ
Опоры 313.ТС-008.000 скользящие для трубопроводов в ППУ изоляции
Опоры 313.ТС-008.000 скользящие для трубопроводов в ППУ изоляции.Подбор,консультация,продажа со склада в Москве, доставка по РФ
Опоры ТД-1-487-1997.00.000 скользящие для трубопроводов в ППУ изоляции
Опоры ТД-1-487-1997.00.000 Подбор,консультация,продажа со склада в Москве, доставка по РФ
Серия 5.900-7 выпуск 3. Серия 5.900-7 выпуск 4
Серия 5.900-7 выпуск 3. Серия 5.900-7 выпуск 4.Подбор,консультация,продажа со склада в Москве, доставка по РФ
Опоры ГОСТ 30732-2006 скользящие опоры для стальных трубопроводов
Опоры ГОСТ 30732-2006/Подбор,консультация,продажа со склада в Москве, доставка по РФ