Логотип АстронЭнерго

Опоры А14Б 532.000  серия 5.900-7 выпуск 2

Опоры А14Б 532.000  серия 5.900-7 выпуск 2

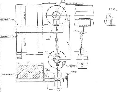
Опоры А14Б 532.000  серия 5.900-7 выпуск 2 подвижные корпусные приварные двухрядные с креплением к железнобетонной колонне, с подвеской для второго трубопровода, для труб с разными диаметрами Ду 125 - 250 мм, Ду1 100 - 200 мм

Опоры А14Б 532.000 применяются для крепления изолированных трубопроводов, транспортирующих воду и пар с температурой до +150°С, либо холодоноситель с температурой от -15°С до +15°С с максимальным давлением до 1,6 МПа (16 кгс/см2).
Стандартно  опоры А14Б 532.000 изготавливаются из марки стали Ст.3,20,09Г2С.
Стандартное покрытие — транспортировочный грунт ГФ-021.
Подвижные опоры А14Б 532.000 СБ изготавливаются в соответствии с чертежами серии 5.900-7 выпуск 1

1771656517026-944334630-opora-a14b-532-razmery-fill-500x391

Обозначение

Условный проход, мм

Допускаемые нагрузки, кгс

Размеры, мм

Масса, кг

Вертикальн.

Горизонт.

Ду

Ду₁

Р

Р₁

Q

L

l

А14Б 532.000

125

100

220

157

66

400,0

210,0

10,30

А14Б 532.000-01

125

100

220

157

66

400,0

210,0

10,80

А14Б 532.000-02

150

100

325

157

97,5

400,0

220,0

12,10

А14Б 532.000-03

150

100

325

157

97,5

400,0

220,0

12,80

А14Б 532.000-04

200

100

860

157

258

400,0

260,0

18,20

А14Б 532.000-05

200

100

860

157

258

400,0

260,0

19,00

А14Б 532.000-06

250

100

1153

157

345,9

400,0

290,0

22,50

А14Б 532.000-07

250

100

1153

157

345,9

400,0

290,0

23,30

А14Б 532.000-08

125

125

220

220

66

400,0

210,0

11,90

А14Б 532.000-09

125

125

220

220

66

400,0

210,0

12,40

А14Б 532.000-10

150

125

325

220

97,5

400,0

220,0

13,70

А14Б 532.000-11

150

125

325

220

97,5

400,0

220,0

14,40

А14Б 532.000-12

200

125

860

220

258

400,0

260,0

19,80

А14Б 532.000-13

200

125

860

220

258

400,0

260,0

20,60

А14Б 532.000-14

250

125

1153

220

345,9

400,0

290,0

24,10

А14Б 532.000-15

250

125

1153

220

345,9

400,0

290,0

24,90

А14Б 532.000-16

200

200

860

860

258

400,0

260,0

26,00

А14Б 532.000-17

200

200

860

860

258

400,0

260,0

26,80

А14Б 532.000-18

125

100

220

157

66

600,0

210,0

12,00

А14Б 532.000-19

125

100

220

157

66

600,0

210,0

12,50

А14Б 532.000-20

150

100

325

157

97,5

600,0

220,0

14,30

А14Б 532.000-21

150

100

325

157

97,5

600,0

220,0

14,90

А14Б 532.000-22

200

100

860

157

258

600,0

260,0

21,30

А14Б 532.000-23

200

100

860

157

258

600,0

260,0

22,10

А14Б 532.000-24

250

100

1153

157

345,9

600,0

290,0

26,50

А14Б 532.000-25

250

100

1153

157

345,9

600,0

290,0

27,30

А14Б 532.000-26

125

125

220

220

66

600,0

210,0

13,60

А14Б 532.000-27

125

125

220

220

66

600,0

210,0

14,10

А14Б 532.000-28

150

125

325

220

97,5

600,0

220,0

15,80

А14Б 532.000-29

150

125

325

220

97,5

600,0

220,0

16,50

А14Б 532.000-30

200

125

860

220

258

600,0

260,0

22,90

А14Б 532.000-31

200

125

860

220

258

600,0

260,0

23,70

А14Б 532.000-32

250

125

1153

220

345,9

600,0

290,0

28,10

А14Б 532.000-33

250

125

1153

220

345,9

600,0

290,0

28,90

А14Б 532.000-34

200

200

860

860

258

600,0

260,0

30,20

А14Б 532.000-35

200

200

860

860

258

600,0

260,0

31,00

 

Подбор и поставка

Уточним наличие и подготовим КП по этой позиции

Поможем с подбором исполнения, проверим доступность на складе и отправим коммерческое предложение по выбранной позиции или аналогам.

Смотрите также

Другие подкатегории раздела

Опоры подвижные трубопроводов
подвижные скользящие опоры трубопроводов. Подбор,консультация,продажа со склада в Москве, доставка по РФ
Накладка Т94 серия 4.903-10 выпуск 1 на тройники усиливающая
Накладка Т94 серия 4.903-10 выпуск 1
Крепления газопроводов УКГ Серия 5.905 - 18.05: Узлы и детали крепления газопроводов
Серия 5.905 - 18.05: Узлы и детали крепления газопроводов
Опоры водопровода в футляре
Опоры водопровода в футляре.Подбор,консультация,продажа со склада в Москве, доставка по РФ
Опоры 313.ТС-008.000 скользящие для трубопроводов в ППУ изоляции
Опоры 313.ТС-008.000 скользящие для трубопроводов в ППУ изоляции.Подбор,консультация,продажа со склада в Москве, доставка по РФ
Опоры ТД-1-487-1997.00.000 скользящие для трубопроводов в ППУ изоляции
Опоры ТД-1-487-1997.00.000 Подбор,консультация,продажа со склада в Москве, доставка по РФ
Серия 5.900-7 выпуск 3. Серия 5.900-7 выпуск 4
Серия 5.900-7 выпуск 3. Серия 5.900-7 выпуск 4.Подбор,консультация,продажа со склада в Москве, доставка по РФ
Опоры ГОСТ 30732-2006 скользящие опоры для стальных трубопроводов
Опоры ГОСТ 30732-2006/Подбор,консультация,продажа со склада в Москве, доставка по РФ