Логотип АстронЭнерго

Опоры Т7.00 серия 4.903-10 выпуск 4 неподвижные лобовые четырёхупорные усиленные

Опоры  Т7.00 серия 4.903-10 выпуск 4 неподвижные лобовые четырёхупорные усиленные

Опоры Т7  серия 4.903-10 выпуск 4 лобовые четырехупорные усиленные неподвижные Дн 426 - 1420 мм

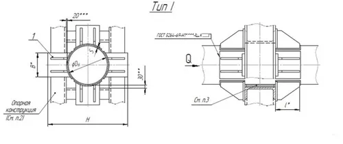
Опоры неподвижные лобовые Т7.00 четырёхупорные усиленные предназначены для крепления стальных технологических трубопроводов различного назначения с наружным диаметром от 426 до 1420 мм. Изготавливаются в соответствии с ТУ-04698606-001-04 'Опоры трубопроводов', серия 4.903-10 выпуск 4.
Опоры Т7 относятся к типу неподвижных лобовых четырехупорных с усилением. Они могут использоваться для различного типа трубопроводов с трубами, изготовленными из стали. Использование данного типа опор продиктовано необходимости сохранения прочности и качества труб, а также целостности самой конструкции. При использовании такого типа опор, у монтажников появляется возможность стабилизировать трубу, пресечь её сдвиги и отклонения под воздействием различных сил и вариантов нагрузки. Использование опоры такого типа также создает линейную направленность всего трубопровода, обеспечивает его сохранность и уменьшает шанс возникновения аварийных ситуаций.Опоры Т7 относятся к типу неподвижных лобовых четырехупорных с усилением. Они могут использоваться для различного типа трубопроводов с трубами, изготовленными из стали. Использование данного типа опор продиктовано необходимости сохранения прочности и качества труб, а также целостности самой конструкции. При использовании такого типа опор, у монтажников появляется возможность стабилизировать трубу, пресечь её сдвиги и отклонения под воздействием различных сил и вариантов нагрузки. Использование опоры такого типа также создает линейную направленность всего трубопровода, обеспечивает его сохранность и уменьшает шанс возникновения аварийных ситуаций.

Конструкция опоры Т7 состоит из четырех сварных упоров с дополнительным усилением. Такая конструкция может выдерживать большой вес и при этом оставаться стабильной и безопасной в использовании.

Пример условного обозначения опоры неподвижной Т7 для трубопровода Ду426: 
Опора  Т7.09 Ду 426 неподвижная

1769185826854-725317447-opora_t7_2_fill_350x3071769185859558-809364250-opora_t7_razmery_1_fill_500x211

Подбор и поставка

Уточним наличие и подготовим КП по этой позиции

Поможем с подбором исполнения, проверим доступность на складе и отправим коммерческое предложение по выбранной позиции или аналогам.

Технические характеристики

Обозначение Наружный диаметр, dн Высота, мм Длина, мм Ширина, мм Масса, кг
Опора неподвижная Т7.09 426 656 200 160 70,4
Опора неподвижная Т7.10 480 736 180 74,1
Опора неподвижная Т7.11 530 786 230 200 87,4
Опора неподвижная Т7.12 630 890 240 104
Опора неподвижная Т7.13 720 980 270 280 129,5
Опора неподвижная Т7.14 820 1080 300 134,7
Опора неподвижная Т7.15 920 1184 320 155,7
Опора неподвижная Т7.16 1020 1284 290 360 179,1
Опора неподвижная Т7.17 1220 1504 340 400 226,6
Опора Т7.18 неподвижная 1420 1704 500 271,7

Смотрите также

Другие подкатегории раздела

Опоры подвижные трубопроводов
подвижные скользящие опоры трубопроводов. Подбор,консультация,продажа со склада в Москве, доставка по РФ
Накладка Т94 серия 4.903-10 выпуск 1 на тройники усиливающая
Накладка Т94 серия 4.903-10 выпуск 1
Крепления газопроводов УКГ Серия 5.905 - 18.05: Узлы и детали крепления газопроводов
Серия 5.905 - 18.05: Узлы и детали крепления газопроводов
Опоры водопровода в футляре
Опоры водопровода в футляре.Подбор,консультация,продажа со склада в Москве, доставка по РФ
Опоры 313.ТС-008.000 скользящие для трубопроводов в ППУ изоляции
Опоры 313.ТС-008.000 скользящие для трубопроводов в ППУ изоляции.Подбор,консультация,продажа со склада в Москве, доставка по РФ
Опоры ТД-1-487-1997.00.000 скользящие для трубопроводов в ППУ изоляции
Опоры ТД-1-487-1997.00.000 Подбор,консультация,продажа со склада в Москве, доставка по РФ
Серия 5.900-7 выпуск 3. Серия 5.900-7 выпуск 4
Серия 5.900-7 выпуск 3. Серия 5.900-7 выпуск 4.Подбор,консультация,продажа со склада в Москве, доставка по РФ
Опоры ГОСТ 30732-2006 скользящие опоры для стальных трубопроводов
Опоры ГОСТ 30732-2006/Подбор,консультация,продажа со склада в Москве, доставка по РФ