Логотип АстронЭнерго

Опоры 313.ТС-008.011 скользящие хомутовые для труб в ППУ изоляции Ду 80 - 600 мм

Опоры 313.ТС-008.011 скользящие хомутовые для труб в ППУ изоляции Ду 80 - 600 мм

Опора 313.ТС-008.011 изготавливается по чертежам, которые входят в альбом 313.ТС-008.000 под названием 
«Типовые решения прокладки тепловых сетей в изоляции из пенополиуретана диаметром Ду 50–600 мм. Конструкции и детали»

Альбом распространяется на скользящие опоры трубопроводов тепловых сетей в изоляции из пенополиуретана (ППУ), транспортирующих горячую воду с температурой до 130 °С и рабочим давлением Pраб до 1,6 МПа

Опоры по альбому 313.ТС-008.000 являются скользящими опорами трубопроводов тепловых сетей в изоляции из пенополиуретана (ППУ), транспортирующих горячую воду с температурой до 130 °С и рабочим давлением Pраб до 1,6 МПа. Опоры типа 313.ТС-008.000 имеют простую, но эффективную конструкцию. На прочном основании крепятся качественные хомуты высокой прочности, которые регулируются при помощи специальных гаек. Само основание имеет дополнительные ребра жесткости, которые могут придавать конструкции возможность удержания высокой нагрузки. Опоры типа 313.ТС-008.000 относятся к классу хомутовых подвижных. Они используются с трубопроводами различной протяженности и с разной температурой рабочей среды при надземной прокладке и канальной подземной прокладке. Часто опоры данного типа используются при монтаже теплотрасс и других коммуникаций ЖКХ. Поэтому среди других опор именно такие хомутовые опоры отличаются большим диапазоном возможных рабочих температур, а также диаметров трубы, с которыми они могут использоваться. При изготовлении опор данного типа используется современная прочная сталь, что позволяет применять такие элементы трубопровода в различных климатических условиях, с высокими показателями влажности и перепадами температур. Опоры данного типа позволяют достичь сразу нескольких целей: - они надежно фиксируют трубу и сохраняют её целостность на всей протяженности; - использование опор хомутового подвижного типа позволяет ограничить и компенсировать сдвиг трубы без какого-либо вреда для её изоляции; - именно опоры данного вида позволяют защитить трубопровод от провисания и создания аварийной ситуации в процессе использования.

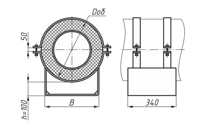
1768215944754-581511549-opora_313_ts_008_011_razmery

Наименование Ду/Дх, мм Вертикальная нагрузка, кН (кгс) Высота h, мм Ширина В, мм Длина L, мм Масса, кг
313.ТС-008.011 80/180 80/180 21,57(2200) 100 180 340 7,3
313.ТС-008.011 100/180 100/180 21,57(2200) 100 180 340 7,3
313.ТС-008.011 100/200 100/200 21,57(2200) 100 180 340 7,2
313.ТС-008.011 125/225 125/225 21,57(2200) 100 180 340 7,4
313.ТС-008.011 150/250 150/250 21,57(2200) 100 180 340 7
313.ТС-008.011 200/315 200/315 68,65 (7000) 100 280 340 12,8
313.ТС-008.011 250/400 250/400 68,65 (7000) 100 280 340 12,9
313.ТС-008.011 300/450 300/450 122,58 (12500) 100 380 340 29,1
313.ТС-008.011 400/560 400/560 122,58 (12500) 100 380 340 31,1
313.ТС-008.011 500/760 500/760 122,58 (12500) 100 500 340 40
313.ТС-008.011 600/800 600/800 122,58 (12500) 100 500 340 41,1

 

Подбор и поставка

Уточним наличие и подготовим КП по этой позиции

Поможем с подбором исполнения, проверим доступность на складе и отправим коммерческое предложение по выбранной позиции или аналогам.

Смотрите также

Другие подкатегории раздела

Опоры подвижные трубопроводов
подвижные скользящие опоры трубопроводов. Подбор,консультация,продажа со склада в Москве, доставка по РФ
Накладка Т94 серия 4.903-10 выпуск 1 на тройники усиливающая
Накладка Т94 серия 4.903-10 выпуск 1
Крепления газопроводов УКГ Серия 5.905 - 18.05: Узлы и детали крепления газопроводов
Серия 5.905 - 18.05: Узлы и детали крепления газопроводов
Опоры водопровода в футляре
Опоры водопровода в футляре.Подбор,консультация,продажа со склада в Москве, доставка по РФ
Опоры ТД-1-487-1997.00.000 скользящие для трубопроводов в ППУ изоляции
Опоры ТД-1-487-1997.00.000 Подбор,консультация,продажа со склада в Москве, доставка по РФ
Серия 5.900-7 выпуск 3. Серия 5.900-7 выпуск 4
Серия 5.900-7 выпуск 3. Серия 5.900-7 выпуск 4.Подбор,консультация,продажа со склада в Москве, доставка по РФ
Опоры ГОСТ 30732-2006 скользящие опоры для стальных трубопроводов
Опоры ГОСТ 30732-2006/Подбор,консультация,продажа со склада в Москве, доставка по РФ
Хомуты сварные ГОСТ 24138-80
Хомуты сварные по ГОСТ 24138-80. Подбор,консультация,продажа со склада в Москве, доставка по РФ