Логотип АстронЭнерго

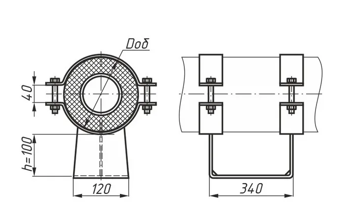
Опоры 313.ТС-008.010 скользящие хомутовые для труб в ППУ изоляции Ду 50 - 80 мм

Опоры 313.ТС-008.010 скользящие хомутовые для труб в ППУ изоляции Ду 50 - 80 мм

Опоры по альбому 313.ТС-008.000 являются скользящими опорами трубопроводов тепловых сетей в изоляции из пенополиуретана (ППУ), транспортирующих горячую воду с температурой до 130 °С и рабочим давлением Pраб до 1,6 МПа.

• Ду трубопровода, мм: 50 - 80

• Дн изоляции, мм: до 160

Опоры типа 313.ТС-008.000 имеют простую, но эффективную конструкцию. На прочном основании крепятся качественные хомуты высокой прочности, которые регулируются при помощи специальных гаек. Само основание имеет дополнительные ребра жесткости, которые могут придавать конструкции возможность удержания высокой нагрузки.

Опоры типа 313.ТС-008.000 относятся к классу хомутовых подвижных. Они используются с трубопроводами различной протяженности и с разной температурой рабочей среды при надземной прокладке и канальной подземной прокладке. Часто опоры данного типа используются при монтаже теплотрасс и других коммуникаций ЖКХ. Поэтому среди других опор именно такие хомутовые опоры отличаются большим диапазоном возможных рабочих температур, а также диаметров трубы, с которыми они могут использоваться. При изготовлении опор данного типа используется современная прочная сталь, что позволяет применять такие элементы трубопровода в различных климатических условиях, с высокими показателями влажности и перепадами температур.

Опоры данного типа позволяют достичь сразу нескольких целей:
- они надежно фиксируют трубу и сохраняют её целостность на всей протяженности;
- использование опор хомутового подвижного типа позволяет ограничить и компенсировать сдвиг трубы без какого-либо вреда для её изоляции;
- именно опоры данного вида позволяют защитить трубопровод от провисания и создания аварийной ситуации в процессе использования.

 

 

1768199720328-73727022-opora_313_ts_008_010_razmery

 

 

Подбор и поставка

Уточним наличие и подготовим КП по этой позиции

Поможем с подбором исполнения, проверим доступность на складе и отправим коммерческое предложение по выбранной позиции или аналогам.

Смотрите также

Другие подкатегории раздела

Опоры подвижные трубопроводов
подвижные скользящие опоры трубопроводов. Подбор,консультация,продажа со склада в Москве, доставка по РФ
Накладка Т94 серия 4.903-10 выпуск 1 на тройники усиливающая
Накладка Т94 серия 4.903-10 выпуск 1
Крепления газопроводов УКГ Серия 5.905 - 18.05: Узлы и детали крепления газопроводов
Серия 5.905 - 18.05: Узлы и детали крепления газопроводов
Опоры водопровода в футляре
Опоры водопровода в футляре.Подбор,консультация,продажа со склада в Москве, доставка по РФ
Опоры ТД-1-487-1997.00.000 скользящие для трубопроводов в ППУ изоляции
Опоры ТД-1-487-1997.00.000 Подбор,консультация,продажа со склада в Москве, доставка по РФ
Серия 5.900-7 выпуск 3. Серия 5.900-7 выпуск 4
Серия 5.900-7 выпуск 3. Серия 5.900-7 выпуск 4.Подбор,консультация,продажа со склада в Москве, доставка по РФ
Опоры ГОСТ 30732-2006 скользящие опоры для стальных трубопроводов
Опоры ГОСТ 30732-2006/Подбор,консультация,продажа со склада в Москве, доставка по РФ
Хомуты сварные ГОСТ 24138-80
Хомуты сварные по ГОСТ 24138-80. Подбор,консультация,продажа со склада в Москве, доставка по РФ