Закладные изделия серия 1.400-15 МН 312
Закладные изделия серия 1.400-15 МН 312
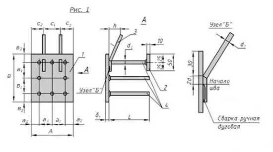
Закладные детали являются унифицированными железобетонными конструкциями, предназначенными для крепления технологических коммуникаций и устройств на вертикальных частях бетонных сооружений. Производим закладные изделия в соответствии с нормативно-технической документацией на изделия. Учитываем пожелания заказчика при заказе в выборе марки стали, покрытия, маркировки. Производство осуществляется из арматурных стержней и листового и профильного прокатов. Закладные изделия бывают с перпендикулярным, наклонным, параллельным или смешанным расположением анкерных стержней.
Характеристики:
![]()
| Параметр | Обозначение | Значение марки
МН 312-2 |
Значение марки МН 312-3 |
Значение марки МН 312-4 |
| Размер пластины, мм | А | 300 | 300 | 300 |
| Размер пластины, мм | В | 400 | 400 | 400 |
| Размер пластины, мм | б | 8 | 8 | 8 |
| Привязки анкеров, мм | а1 | 120 | 120 | 120 |
| Привязки анкеров, мм | а2 | 30 | 30 | 30 |
| Привязки анкеров, мм | в1 | 160 | 160 | 160 |
| Привязки анкеров, мм | в2 | 40 | 40 | 40 |
| Привязки анкеров, мм | с1 | 170 | 170 | 170 |
| Привязки анкеров, мм | с2 | 65 | 65 | 65 |
| Количество и диаметр гнутых анкеров | 2ф16AIII | 2ф16AIII | 2ф16AIII | |
| Длина гнутых анкеров, мм | l | 620 | 620 | 620 |
| Длина гнутых анкеров, мм | h | 160 | 210 | 210 |
| Количество и диаметр прямых анкеров | 8ф12AIII | 8ф12AIII | 8ф12AIII | |
| Длина прямых анкеров, мм | L | 170 | 220 | 270 |
| Размеры пластин усиления
и кол-во, мм |
50х50х10 (шт.3) | 50х50х10 (шт.3) | 50х50х10 (шт.3) | |
|
Выборка стали на 1 изделие (профильная сталь), кг |
-б=8 | 7.5 | 7.5 | 7.5 |
|
Выборка стали на 1 изделие (профильная сталь), кг |
-б=10 | 0.6 | 0.6 | 0.6 |
|
Выборка стали на 1 изделие (арм. AIII ф12), кг |
1.2 | 1.6 | 1.9 | |
|
Выборка стали на 1 изделие (арм. AIII ф16), кг |
2.3 | 2.3 | 2.3 | |
|
Рисунок на чертеже |
1 | 1 | 1 | |
| Итого, кг | 11.6 | 12.0/td> | 12.3 | |
| Обозначение изделия | 1.400-15.B1.330 | 1.400-15.B1.330-01 | 1.400-15.B1.330-02 |
Поможем подобрать исполнение и типоразмер
Уточним различия между позициями в этом разделе, проверим наличие на складе и подготовим коммерческое предложение под ваш запрос.
В этом разделе пока нет позиций.