Закладные изделия серия 1.400-15 МН 204
Закладные изделия серия 1.400-15 МН 204
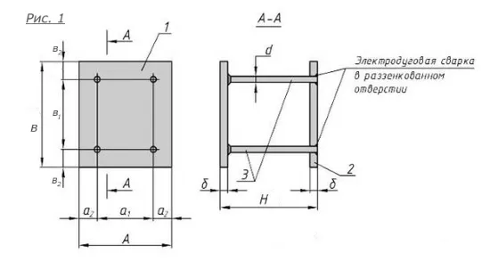
Закладные детали являются унифицированными железобетонными конструкциями, предназначенными для крепления технологических коммуникаций и устройств на вертикальных частях бетонных сооружений. Производим закладные изделия в соответствии с нормативно-технической документацией на изделия. Учитываем пожелания заказчика при заказе в выборе марки стали, покрытия, маркировки. Производство осуществляется из арматурных стержней и листового и профильного прокатов. Закладные изделия бывают с перпендикулярным, наклонным, параллельным или смешанным расположением анкерных стержней.
Характеристики:
![]()
| Параметр | Обозначение | Значение марки
МН 204-1 |
Значение марки МН 204-2 |
Значение марки МН 204-3 |
Значение марки МН 204-4 |
Значение марки МН 204-5 |
| Размер пластины, мм | А | 200 | 200 | 200 | 200 | 200 |
| Размер пластины, мм | В | 200 | 200 | 200 | 200 | 200 |
| Размер пластины, мм | б | 10 | 10 | 10 | 10 | 10 |
| Привязки анкеров, мм | а1 | 120 | 120 | 120 | 120 | 120 |
| Привязки анкеров, мм | а2 | 40 | 40 | 40 | 40 | 40 |
| Привязки анкеров, мм | в1 | 120 | 120 | 120 | 120 | 120 |
| Привязки анкеров, мм | в2 | 40 | 40 | 40 | 40 | 40 |
| Количество и диаметр анкеров | 4ф12AIII | 4ф12AIII | 4ф12AIII | 4ф12AIII | 4ф12AIII | |
| Размер, мм | H | 150 | 200 | 250 | 300 | 400 |
|
Выборка стали на 1 изделие (профильная сталь), кг |
-б=10 | 6.2 | 6.2 | 6.2 | 6.2 | 6.2 |
|
Выборка стали на 1 изделие (арм. AIII ф12), кг |
0.5 | 0.7 | 0.8 | 1.0 | 1.4 | |
|
Рисунок на чертеже |
1 | 1 | 1 | 1 | 1 | |
| Итого, кг | 6.7 | 6.9 | 7.0 | 7.2 | 7.6 | |
| Обозначение изделия | 1.400-15.B1.210-15 | 1.400-15.B1.210-16 | 1.400-15.B1.210-17 | 1.400-15.B1.210-18 | 1.400-15.B1.210-19 |
Поможем подобрать исполнение и типоразмер
Уточним различия между позициями в этом разделе, проверим наличие на складе и подготовим коммерческое предложение под ваш запрос.
В этом разделе пока нет позиций.