Закладные изделия серия 1.400-15 МН 164
Закладные изделия серия 1.400-15 МН 164
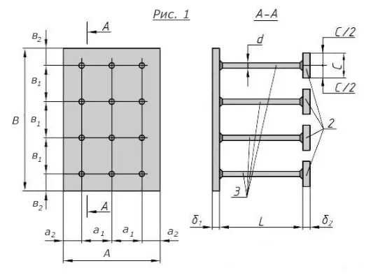
Закладные детали являются унифицированными железобетонными конструкциями, предназначенными для крепления технологических коммуникаций и устройств на вертикальных частях бетонных сооружений. Производим закладные изделия в соответствии с нормативно-технической документацией на изделия. Учитываем пожелания заказчика при заказе в выборе марки стали, покрытия, маркировки. Производство осуществляется из арматурных стержней и листового и профильного прокатов. Закладные изделия бывают с перпендикулярным, наклонным, параллельным или смешанным расположением анкерных стержней.
Характеристики:
![]()
| Параметр | Обозначение | Значение марки
МН 164-1 |
Значение марки МН 164-2 |
Значение марки МН 164-3 |
Значение марки МН 164-4 |
Значение марки МН 164-5 |
Значение марки МН 164-6 |
| Размер пластины, мм | А | 400 | 400 | 400 | 400 | 400 | 400 |
| Размер пластины, мм | В | 600 | 600 | 600 | 600 | 600 | 600 |
| Размер пластины, мм | б | 12 | 12 | 12 | 12 | 12 | 12 |
| Привязки анкеров, мм | а1 | 160 | 160 | 160 | 160 | 160 | 160 |
| Привязки анкеров, мм | а2 | 40 | 40 | 40 | 40 | 40 | 40 |
| Привязки анкеров, мм | в1 | 170 | 170 | 170 | 170 | 170 | 170 |
| Привязки анкеров, мм | в2 | 45 | 45 | 45 | 45 | 45 | 45 |
| Количество и диаметр анкеров | 12ф16AIII | 12ф16AIII | 12ф16AIII | 12ф16AIII | 12ф16AIII | 12ф16AIII | |
| Длина анкеров, мм | L | 620 | 460 | 370 | 620 | 460 | 210 |
|
Выборка стали на 1 изделие (профильная сталь), кг |
-б=12 | 22.6 | 22.6 | 22.6 | 26.7 | 26.7 | 26.7 |
|
Размеры пластин усиления и кол-во, мм |
60х60х12 (шт.12) | 60х60х12 (шт.12) | 60х60х12 (шт.12) | ||||
|
Выборка стали на 1 изделие (арм. AIII ф16), кг |
11.8 | 8.8 | 7.1 | 11.8 | 8.8 | 4.0 | |
|
Рисунок на чертеже |
1 | 1 | 1 | 1 | 1 | 1 | |
| Итого, кг | 34.4 | 31.4 | 29.7 | 38.5 | 35.5 | 30.7 | |
| Обозначение изделия | 1.400-15.B1.190-06 | 1.400-15.B1.190-07 | 1.400-15.B1.190-08 | 1.400-15.B1.190-09 | 1.400-15.B1.190-10 | 1.400-15.B1.190-11 |
Поможем подобрать исполнение и типоразмер
Уточним различия между позициями в этом разделе, проверим наличие на складе и подготовим коммерческое предложение под ваш запрос.
В этом разделе пока нет позиций.