Закладные изделия серия 1.400-15 МН 135
Закладные изделия по серии 1.400-15 МН 135
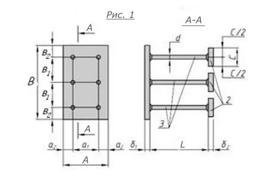
Закладные детали являются унифицированными железобетонными конструкциями, предназначенными для крепления технологических коммуникаций и устройств на вертикальных частях бетонных сооружений. Производим закладные изделия в соответствии с нормативно-технической документацией на изделия. Учитываем пожелания заказчика при заказе в выборе марки стали, покрытия, маркировки. Производство осуществляется из арматурных стержней и листового и профильного прокатов. Закладные изделия бывают с перпендикулярным, наклонным, параллельным или смешанным расположением анкерных стержней.
Характеристики:
![]()
| Параметр | Обозначение | Значение марки
МН 135-1 |
Значение марки МН 135-2 |
Значение марки МН 135-3 |
Значение марки МН 135-4 |
Значение марки МН 135-5 |
Значение марки МН 135-6 |
| Размер пластины, мм | А | 150 | 150 | 150 | 150 | 150 | 150 |
| Размер пластины, мм | В | 300 | 300 | 300 | 300 | 300 | 300 |
| Размер пластины, мм | б | 8 | 8 | 8 | 8 | 8 | 8 |
| Привязки анкеров, мм | а1 | 90 | 90 | 90 | 90 | 90 | 90 |
| Привязки анкеров, мм | а2 | 30 | 30 | 30 | 30 | 30 | 30 |
| Привязки анкеров, мм | в1 | 110 | 110 | 110 | 110 | 110 | 110 |
| Привязки анкеров, мм | в2 | 40 | 40 | 40 | 40 | 40 | 40 |
| Количество и диаметр анкеров | 6ф12AIII | 6ф12AIII | 6ф12AIII | 6ф12AIII | 6ф12AIII | 6ф12AIII | |
| Длина анкеров, мм | L | 470 | 370 | 270 | 470 | 370 | 170 |
|
Выборка стали на 1 изделие (профильная сталь), кг |
-б=8 | 2.8 | 2.8 | 2.8 | 2.8 | 2.8 | 2.8 |
|
Размеры пластин усиления и кол-во, мм |
50х50х10 (шт.6) | 50х50х10 (шт.6) | 50х50х10 (шт.6) | ||||
|
Выборка стали на 1 изделие (арм. AIII ф12), кг |
2.5 | 2.0 | 1.4 | 2.5 | 2.0 | 0.9 | |
|
Рисунок на чертеже |
1 | 1 | 1 | 1 | 1 | 1 | |
| Итого, кг | 5.3 | 4.8 | 4.2 | 6.5 | 6.0 | 4.9 | |
| Обозначение изделия | 1.400-15.B1.150-12 | 1.400-15.B1.150-13 | 1.400-15.B1.150-14 | 1.400-15.B1.150-15 | 1.400-15.B1.150-16 | 1.400-15.B1.150-17 |
Поможем подобрать исполнение и типоразмер
Уточним различия между позициями в этом разделе, проверим наличие на складе и подготовим коммерческое предложение под ваш запрос.
В этом разделе пока нет позиций.