Закладные изделия серия 1.400-15 МН 134
Закладные изделия серия 1.400-15 МН 134
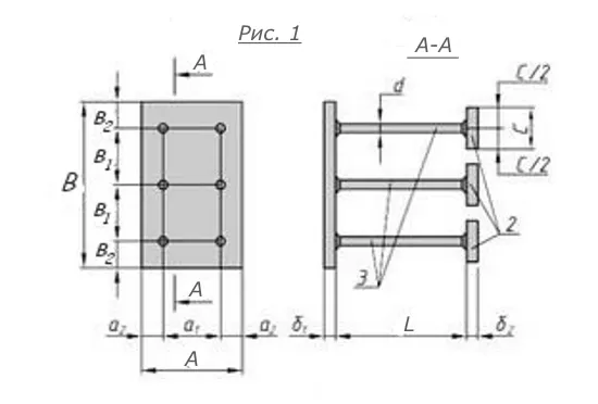
Закладные детали являются унифицированными железобетонными конструкциями, предназначенными для крепления технологических коммуникаций и устройств на вертикальных частях бетонных сооружений. Производим закладные изделия в соответствии с нормативно-технической документацией на изделия. Учитываем пожелания заказчика при заказе в выборе марки стали, покрытия, маркировки. Производство осуществляется из арматурных стержней и листового и профильного прокатов. Закладные изделия бывают с перпендикулярным, наклонным, параллельным или смешанным расположением анкерных стержней.
Характеристики:
![]()
| Параметр | Обозначение | Значение марки
МН 134-1 |
Значение марки МН 134-2 |
Значение марки МН 134-3 |
Значение марки МН 134-4 |
Значение марки МН 134-5 |
Значение марки МН 134-6 |
| Размер пластины, мм | А | 150 | 150 | 150 | 150 | 150 | 150 |
| Размер пластины, мм | В | 300 | 300 | 300 | 300 | 300 | 300 |
| Размер пластины, мм | б | 6 | 6 | 6 | 6 | 6 | 6 |
| Привязки анкеров, мм | а1 | 90 | 90 | 90 | 90 | 90 | 90 |
| Привязки анкеров, мм | а2 | 30 | 30 | 30 | 30 | 30 | 30 |
| Привязки анкеров, мм | в1 | 110 | 110 | 110 | 110 | 110 | 110 |
| Привязки анкеров, мм | в2 | 40 | 40 | 40 | 40 | 40 | 40 |
| Количество и диаметр анкеров | 6ф8AIII | 6ф8AIII | 6ф8AIII | 6ф8AIII | 6ф8AIII | 6ф8AIII | |
| Длина анкеров, мм | L | 300 | 250 | 200 | 300 | 250 | 80 |
|
Выборка стали на 1 изделие (профильная сталь), кг |
-б=6 | 2.1 | 2.1 | 2.1 | 2.1 | 2.1 | 2.1 |
|
Размеры пластин усиления и кол-во, мм |
40х40х8 (шт.6) | 40х40х8 (шт.6) | 40х40х8 (шт.6) | ||||
|
Выборка стали на 1 изделие (арм. AIII ф12), кг |
0.7 | 0.6 | 0.5 | 0.7 | 0.6 | 0.2 | |
|
Рисунок на чертеже |
1 | 1 | 1 | 1 | 1 | 1 | |
| Итого, кг | 2.8 | 2.7 | 2.6 | 3.4 | 3.3 | 2.9 | |
| Обозначение изделия | 1.400-15.B1.150-06 | 1.400-15.B1.150-07 | 1.400-15.B1.150-08 | 1.400-15.B1.150-09 | 1.400-15.B1.150-10 | 1.400-15.B1.150-11 |
Поможем подобрать исполнение и типоразмер
Уточним различия между позициями в этом разделе, проверим наличие на складе и подготовим коммерческое предложение под ваш запрос.
В этом разделе пока нет позиций.