Закладные изделия серия 1.400-15 МН 132
Закладные изделия серия 1.400-15 МН 132
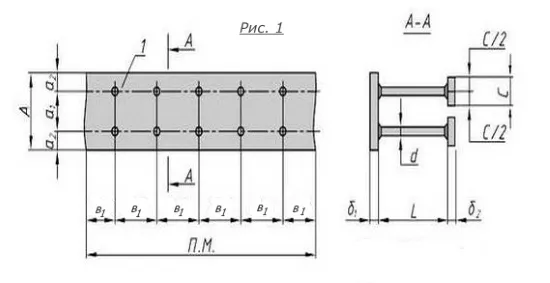
Закладные детали являются унифицированными железобетонными конструкциями, предназначенными для крепления технологических коммуникаций и устройств на вертикальных частях бетонных сооружений. Производим закладные изделия в соответствии с нормативно-технической документацией на изделия. Учитываем пожелания заказчика при заказе в выборе марки стали, покрытия, маркировки. Производство осуществляется из арматурных стержней и листового и профильного прокатов. Закладные изделия бывают с перпендикулярным, наклонным, параллельным или смешанным расположением анкерных стержней.
Характеристики:
![]()
| Параметр | Обозначение | Значение марки
МН 132-1 |
Значение марки МН 132-2 |
Значение марки МН 132-3 |
Значение марки МН 132-4 |
Значение марки МН 132-5 |
Значение марки МН 132-6 |
| Размер пластины, мм | А | 250 | 250 | 250 | 250 | 250 | 250 |
| Размер пластины, мм | В | П.М. | П.М. | П.М. | П.М. | П.М. | П.М. |
| Размер пластины, мм | б | 8 | 8 | 8 | 8 | 8 | 8 |
| Привязки анкеров, мм | а1 | 180 | 180 | 180 | 180 | 180 | 180 |
| Привязки анкеров, мм | а2 | 35 | 35 | 35 | 35 | 35 | 35 |
| Привязки анкеров, мм | в1 | 200 | 200 | 200 | 200 | 200 | 200 |
| Количество и диаметр анкеров | 10ф12AIII | 10ф12AIII | 10ф12AIII | 10ф12AIII | 10ф12AIII | 10ф12AIII | |
| Длина анкеров, мм | L | 470 | 370 | 270 | 470 | 370 | 170 |
|
Выборка стали на 1 изделие (профильная сталь), кг |
-б=8 | 15.7 | 15.7 | 15.7 | 15.7 | 15.7 | 15.7 |
|
Размеры пластин усиления и кол-во, мм |
50х50х10 (шт.10) | 50х50х10 (шт.10) | 50х50х10 (шт.10) | ||||
|
Выборка стали на 1 изделие (арм. AIII ф12), кг |
4.2 | 3.3 | 2.4 | 4.2 | 3.3 | 1.5 | |
|
Рисунок на чертеже |
1 | 1 | 1 | 1 | 1 | 1 | |
| Итого, кг | 19.9 | 19.0 | 18.1 | 21.9 | 21.0 | 19.2 | |
| Обозначение изделия | 1.400-15.B1.140-30 | 1.400-15.B1.140-31 | 1.400-15.B1.140-32 | 1.400-15.B1.140-33 | 1.400-15.B1.140-34 | 1.400-15.B1.140-35 |
Поможем подобрать исполнение и типоразмер
Уточним различия между позициями в этом разделе, проверим наличие на складе и подготовим коммерческое предложение под ваш запрос.
В этом разделе пока нет позиций.