Закладные изделия серия 1.400-15 МН 127
Закладные изделия по серии 1.400-15 МН 127
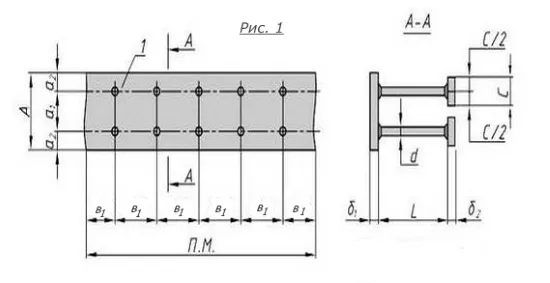
Закладные детали являются унифицированными железобетонными конструкциями, предназначенными для крепления технологических коммуникаций и устройств на вертикальных частях бетонных сооружений. Производим закладные изделия в соответствии с нормативно-технической документацией на изделия. Учитываем пожелания заказчика при заказе в выборе марки стали, покрытия, маркировки. Производство осуществляется из арматурных стержней и листового и профильного прокатов. Закладные изделия бывают с перпендикулярным, наклонным, параллельным или смешанным расположением анкерных стержней.
Характеристики:
![]()
| Параметр | Обозначение | Значение марки
МН 127-1 |
Значение марки МН 127-2 |
Значение марки МН 127-3 |
Значение марки МН 127-4 |
Значение марки МН 127-5 |
Значение марки МН 127-6 |
| Размер пластины, мм | А | 100 | 100 | 100 | 100 | 100 | 100 |
| Размер пластины, мм | В | П.М. | П.М. | П.М. | П.М. | П.М. | П.М. |
| Размер пластины, мм | б | 6 | 6 | 6 | 6 | 6 | 6 |
| Привязки анкеров, мм | а1 | 60 | 60 | 60 | 60 | 60 | 60 |
| Привязки анкеров, мм | а2 | 20 | 20 | 20 | 20 | 20 | 20 |
| Привязки анкеров, мм | в1 | 200 | 200 | 200 | 200 | 200 | 200 |
| Количество и диаметр анкеров | 10ф8AIII | 10ф8AIII | 10ф8AIII | 10ф8AIII | 10ф8AIII | 10ф8AIII | |
| Длина анкеров, мм | L | 300 | 250 | 200 | 300 | 250 | 80 |
|
Выборка стали на 1 изделие (профильная сталь), кг |
-б=6 | 4.7 | 4.7 | 4.7 | 4.7 | 4.7 | 4.7 |
|
Размеры пластин усиления и кол-во, мм |
40х40х8 (шт.10) | 40х40х8 (шт.10) | 40х40х8 (шт.10) | ||||
|
Выборка стали на 1 изделие (арм. AIII ф8), кг |
1.2 | 1.0 | 0.8 | 1.2 | 1.0 | 0.3 | |
|
Рисунок на чертеже |
1 | 1 | 1 | 1 | 1 | 1 | |
| Итого, кг | 5.9 | 5.7 | 5.5 | 6.9 | 6.7 | 6.0 | |
| Обозначение изделия | 1.400-15.B1.140 | 1.400-15.B1.140-01 | 1.400-15.B1.140-02 | 1.400-15.B1.140-03 | 1.400-15.B1.140-04 | 1.400-15.B1.140-05 |
Поможем подобрать исполнение и типоразмер
Уточним различия между позициями в этом разделе, проверим наличие на складе и подготовим коммерческое предложение под ваш запрос.
В этом разделе пока нет позиций.