Логотип АстронЭнерго

Переходы

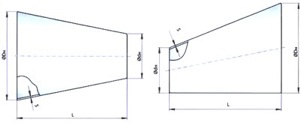
Переходы стальные концентрические и эксцентрические. Используются для соединения труб различных диаметров. Изготовление методом штамповки (бесшовные) или сварки (листовые) по ГОСТ 17378-2001 и ОСТ. Широкий выбор типоразмеров для любых давлений.

Подбор и поставка

Поможем подобрать исполнение и типоразмер

Уточним различия между позициями в этом разделе, проверим наличие на складе и подготовим коммерческое предложение под ваш запрос.

Переходы сварные ОСТ 34-10-753-97

Краткая техническая характеристика: Условное давление, PN (Ру): 1,6 / 2,5 МПа Наружный диаметр, Dн: 530 - 1620 мм Температура, t°С: до + 350° Материал: СтЗсп, 20, 09Г2С

Переходы сварные ОСТ 36-22-77

Краткие технические характеристики Условное давление, PN (Ру): Наружный диаметр, D: от 530-1620 мм мм Температура, t°С: от - 30° до + 300° Материал: 20, Ст3сп, 09Г2С

Переходы штампованные ГОСТ 17378-2001 концентрические и эксцентрические

Краткие технические характеристики Условное давление, PN (Ру): 16 МПа Наружный диаметр, D: 38 - 630 мм Температура, t°С: от - 70° до + 450° Материал: Ст.20, 09Г2

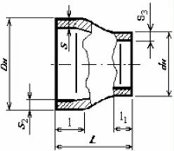
Переходы концентрические ОСТ 34.10.422–90

Технические характеристики: Рраб Технические условия – ОСТ 34.10.440–90 Конструкция и размеры - ОСТ 34.10.422–90 Материал - 08Х18Н10Т, 12Х18Н10Т

Переходы концентрические ОСТ 34.10.700–97

Краткая техническая характеристика: Условное давление, PN (Ру) 2.2 МПа Наружный диаметр, D 57 - 426 мм Температура, t°С до + 350° Материал 20

Переходы концентрические ТУ 1469–007–04606975–00 (ТУ 51-467-89)

Переходы концентрические ТУ 1469–007–04606975–00 (ТУ 51-467-89). ТУ 1469–007–04606975–00, ТУ 51-467-89, ТУ 14-3-1128-82. Подбор по проекту, доставка по РФ.

Переходы эксцентрические и концентрические штампованные бесшовные ТУ 26-18-38-90

Переходы эксцентрические и концентрические штампованные бесшовные ТУ 26-18-38-90. ТУ 26-18-38-90, ГОСТ 550, ГОСТ 9941. Подбор по проекту, доставка по РФ.

Переходы концентрические DIN 2616

Технические характеристики: Технические условия - DIN 2609 Материал: Сталь St 37 DIN 1629 Условный проход – Ду 20-300

Переходы концентрические ASME B16.9-1993

Технические характеристики: Технические условия - ASTM A234/234M Материал: Сталь WPB Условный проход – Ду (дюйм): D-12 дюйм

Переходы штампосварные ТУ102-488-95

Техническая характеристика: Условное давление, PN (Ру): 10 МПа Наружный диаметр, D: 530 - 1420 мм Температура, t°С: до - 40° Материал: 20, 12ГС, 09Г2С

Переходы эксцентрические (концентрические) ТУ 26-18-38-90

Краткая техническая характеристика: Условное давление, PN (Ру) 10 МПа Наружный диаметр, D 57- 325 мм Температура, t°С от - 70° до + 450 °С Материал 15Х5М, 12Х1МФ, 12Х18Н10Т, 08Х22Н6Т, 08Х18Н12Т, 10Х17Н13М2Т, 12Х18Н9Т, 12Х18Н12Т.

Другие подкатегории раздела

Отводы
Детали предназначаются для соединения труб из углеродистой стали при строительстве технологических трубопроводов, в том числе трубопроводов, на которые распространяются правила устройства и безопасной эксплуатации трубопроводов пара и горячей воды. Госгортехнадзора на предприятиях химической и нефтехимической промышленности.
Тройники
Тройники стальные равнопроходные и переходные. Детали для создания ответвлений от магистрального трубопровода. Штампованные (ГОСТ 17376-2001), сварные (ОСТ 36-24-77, ОСТ 34.10.762-97) и штампосварные тройники для теплосетей и нефтегазопроводов.
Фланцы
Фланцы стальные плоские и воротниковые. Соединительные части для монтажа арматуры, труб и оборудования. Фланцы по ГОСТ 12820-80, ГОСТ 12821-80 (ГОСТ 33259-2015). Различные исполнения уплотнительных поверхностей.
Заглушки, днище
Заглушки и днища эллиптические. Детали для герметичного закрытия концевых участков трубопроводов и изготовления емкостей. Эллиптические заглушки по ГОСТ 17379-2001, плоские приварные и фланцевые заглушки (АТК, ОСТ).