Логотип АстронЭнерго

Опоры А14Б 562.000 сериz 5.900-7 выпуск 3

Опоры А14Б 562.000  сериz 5.900-7 выпуск 3

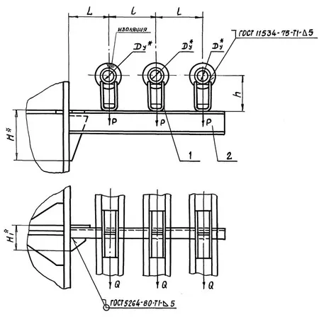
Опоры А14Б 562.000  серия 5.900-7 выпуск 3 подвижные корпусные приварные трехрядные с креплением к металлической колонне Ду 50 - 100 мм.

Опоры А14Б 562.000 применяются для крепления к металлическим колоннам трубопроводов, транспортирующих воду и пар с температурой до +150°С, либо холодоноситель с температурой от -15°С до +15°С с максимальным давлением до 1,6 МПа (16 кгс/см2).
Стандартно подвижные двухрядные опоры А14Б 548.000 изготавливаются из марки стали Ст.3,20,09Г2С.
Стандартное покрытие — транспортировочный грунт ГФ-021.

1768467420292-673250178-opora_a14b_562_razmery_fill_450x451

бозначение

Условный проход Ду, мм

Допускаемые нагрузки, кгс

Размеры, мм

Масса, кг

Верттикальн.

Горизонтальн.

L

l

Р

Q

А14Б 562.000

50

51

15,3

150,0

245,0

6,60

А14Б 562.000-01

50

51

15,3

150,0

245,0

7,12

А14Б 562.000-02

65

78

23,4

160,0

270,0

8,27

А14Б 562.000-03

65

78

23,4

160,0

270,0

8,86

А14Б 562.000-04

80

107

32,1

185,0

230,0

12,80

А14Б 562.000-05

80

107

32,1

185,0

230,0

13,38

А14Б 562.000-06

100

151

47,1

195,0

340,0

17,93

А14Б 562.000-07

100

151

47,1

195,0

340,0

19,00

 

Подбор и поставка

Уточним наличие и подготовим КП по этой позиции

Поможем с подбором исполнения, проверим доступность на складе и отправим коммерческое предложение по выбранной позиции или аналогам.

Смотрите также

Другие подкатегории раздела

Опоры подвижные трубопроводов
подвижные скользящие опоры трубопроводов. Подбор,консультация,продажа со склада в Москве, доставка по РФ
Накладка Т94 серия 4.903-10 выпуск 1 на тройники усиливающая
Накладка Т94 серия 4.903-10 выпуск 1
Крепления газопроводов УКГ Серия 5.905 - 18.05: Узлы и детали крепления газопроводов
Серия 5.905 - 18.05: Узлы и детали крепления газопроводов
Опоры водопровода в футляре
Опоры водопровода в футляре.Подбор,консультация,продажа со склада в Москве, доставка по РФ
Опоры 313.ТС-008.000 скользящие для трубопроводов в ППУ изоляции
Опоры 313.ТС-008.000 скользящие для трубопроводов в ППУ изоляции.Подбор,консультация,продажа со склада в Москве, доставка по РФ
Опоры ТД-1-487-1997.00.000 скользящие для трубопроводов в ППУ изоляции
Опоры ТД-1-487-1997.00.000 Подбор,консультация,продажа со склада в Москве, доставка по РФ
Опоры ГОСТ 30732-2006 скользящие опоры для стальных трубопроводов
Опоры ГОСТ 30732-2006/Подбор,консультация,продажа со склада в Москве, доставка по РФ
Хомуты сварные ГОСТ 24138-80
Хомуты сварные по ГОСТ 24138-80. Подбор,консультация,продажа со склада в Москве, доставка по РФ