Логотип АстронЭнерго

Опоры ФСО1 ТД 1-487-1997.00.000 в футляре скользящие подкладные хомутовые для прямолинейных участков трубопровода в ППУ изоляции Дн 57 - 1020 мм

Опоры ФСО1 ТД 1-487-1997.00.000 в футляре скользящие подкладные хомутовые для прямолинейных участков трубопровода в ППУ изоляции Дн 57 - 1020 мм

Опоры ФСО1 ТД 1-487-1997.00.000

Опоры подкладные скользящие в футляре на прямолинейном участке – ФСО1

Опора ФСО1 - скользящая подкладная опора в футляре, предназначена для установки на прямолинейном участке трубопровода подземной прокладки для его фиксации на определенной высоте с возможностью продольного движения для компенсации температурного расширения или сжатия, а также вибрационных воздействий.

Опоры ФСО1 защищают от повреждений теплоизоляционное покрытие трубопровода и обеспечивают продольное перемещение трубопровода от температурных деформаций и вибраций там, где оно предусмотренно проектом. Опоры воспринимают только вертикальные нагрузки от массы теплотрасс. Кроме того опоры ФСО1 компенсируют различные технические недочеты проектирования и строительства теплотрасс. Для лучшей работы нередко снабжаются дополнительной защитой от корозий и блуждающих токов.

Опоры ФСО1 изготавливаются из горячекатанного листа, с помощью гильотинной резки и приварных сплошным швом хомутов. Крепление держателей производится с помощью болтов и гаек, на готовую скользящую опору наносят защитное покрытие.

Опоры ФСО1 изготавливаются для труб размером от 57 до 1020 мм и в трех исполнениях в зависимости от высоты башмака: 100мм, 150мм, 200мм.

Максимальный шаг между опорами трубопроводов в ППУ изоляции составляет: Ду 50 - 5,0м, Ду 70 - 5,5м, Ду 80  - 6,0м, Ду 100 - 7,0м, Ду 125  - 8,0м, Ду 150 - 9,0м.

ФСО1 устанавливаются на опорные подушки (ОП) с металлическими подкладками, что не дает опоре скользить по бетону, под башмаком опоры следует проложить 2-3 слоя изола с выступом не менее 15 мм в каждую сторону.

Пример обозначения: ФСО1 108/180/377, где

108 - наружный диаметр стальной трубы;
180 - наружный диаметр оболочки-трубы;
377 - диаметр футляра.

 
 

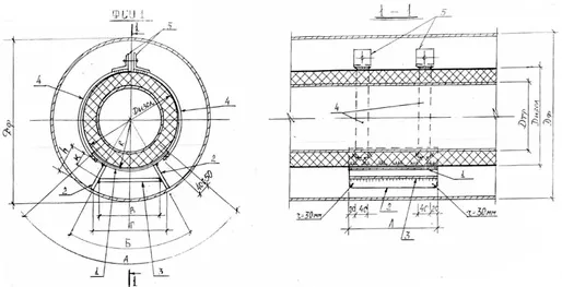
Размеры и конструкция:

1768283659272-231216585-opora_fso1_razmery_fill_514x263

Дтр – наружный диаметр стальной трубы; Диз - диаметр оболчки-трубы; Дф - диаметр футляра; Г - ширина основания опоры; ᴧ - длина основания опоры.

Подбор и поставка

Уточним наличие и подготовим КП по этой позиции

Поможем с подбором исполнения, проверим доступность на складе и отправим коммерческое предложение по выбранной позиции или аналогам.

Смотрите также

Другие подкатегории раздела

Опоры подвижные трубопроводов
подвижные скользящие опоры трубопроводов. Подбор,консультация,продажа со склада в Москве, доставка по РФ
Накладка Т94 серия 4.903-10 выпуск 1 на тройники усиливающая
Накладка Т94 серия 4.903-10 выпуск 1
Крепления газопроводов УКГ Серия 5.905 - 18.05: Узлы и детали крепления газопроводов
Серия 5.905 - 18.05: Узлы и детали крепления газопроводов
Опоры водопровода в футляре
Опоры водопровода в футляре.Подбор,консультация,продажа со склада в Москве, доставка по РФ
Опоры 313.ТС-008.000 скользящие для трубопроводов в ППУ изоляции
Опоры 313.ТС-008.000 скользящие для трубопроводов в ППУ изоляции.Подбор,консультация,продажа со склада в Москве, доставка по РФ
Серия 5.900-7 выпуск 3. Серия 5.900-7 выпуск 4
Серия 5.900-7 выпуск 3. Серия 5.900-7 выпуск 4.Подбор,консультация,продажа со склада в Москве, доставка по РФ
Опоры ГОСТ 30732-2006 скользящие опоры для стальных трубопроводов
Опоры ГОСТ 30732-2006/Подбор,консультация,продажа со склада в Москве, доставка по РФ
Хомуты сварные ГОСТ 24138-80
Хомуты сварные по ГОСТ 24138-80. Подбор,консультация,продажа со склада в Москве, доставка по РФ