Логотип АстронЭнерго

Опоры А14Б 538.000 серия 5.900-7 выпуск 2

Опоры А14Б 538.000 серия 5.900-7 выпуск 2

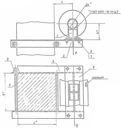
Опоры А14Б 538.000 серия 5.900-7 выпуск 2 подвижные корпусные приварные с креплением к железнобетонной колонне Ду 100 - 250 мм

Опоры А14Б 538.000 применяются для крепления изолированных трубопроводов, транспортирующих воду и пар с температурой до +150°С, либо холодоноситель с температурой от -15°С до +15°С с максимальным давлением до 1,6 МПа (16 кгс/см2).
Стандартно  опоры А14Б 538.000 изготавливаются из марки стали Ст.3,20,09Г2С.
Стандартное покрытие — транспортировочный грунт ГФ-021.
Подвижные опоры А14Б 538.000 СБ изготавливаются в соответствии с чертежами серии 5.900-7 выпуск 1

1771738426150-445940785-opora-a14b-538-razmery-fill-400x422

Обозначение

Условный проход Ду, мм

Допускаемые нагрузки, кгс

Размеры, мм

Масса, кг

Вертикальн.

Горизонтал.

Р

Q

L

l

Н

А14Б 538.000

100

157

47,1

400,0

195,0

400,0

22,10

А14Б 538.000-01

100

157

47,1

400,0

195,0

400,0

22,60

А14Б 538.000-02

125

220

66

400,0

210,0

400,0

22,20

А14Б 538.000-03

125

220

66

400,0

210,0

400,0

22,70

А14Б 538.000-04

150

325

97,5

400,0

220,0

400,0

39,30

А14Б 538.000-05

150

325

97,5

400,0

220,0

400,0

40,50

А14Б 538.000-06

200

860

258

400,0

260,0

400,0

45,60

А14Б 538.000-07

200

860

258

400,0

260,0

400,0

45,80

А14Б 538.000-08

250

1153

345,9

400,0

290,0

400,0

45,60

А14Б 538.000-09

250

1153

345,9

400,0

290,0

400,0

46,30

А14Б 538.000-10

100

157

47,1

600,0

195,0

400,0

24,80

А14Б 538.000-11

100

157

47,1

600,0

195,0

400,0

25,30

А14Б 538.000-12

125

220

66

600,0

210,0

400,0

24,90

А14Б 538.000-13

125

220

66

600,0

210,0

400,0

25,40

А14Б 538.000-14

150

325

97,5

600,0

220,0

400,0

45,30

А14Б 538.000-15

150

325

97,5

600,0

220,0

400,0

46,00

А14Б 538.000-16

200

860

258

600,0

260,0

400,0

50,80

А14Б 538.000-17

200

860

258

600,0

260,0

400,0

51,60

А14Б 538.000-18

250

1153

345,9

600,0

290,0

400,0

51,50

А14Б 538.000-19

250

1153

345,9

600,0

290,0

400,0

52,30

А14Б 538.000-20

100

157

47,1

400,0

195,0

600,0

26,60

А14Б 538.000-21

100

157

47,1

400,0

195,0

600,0

27,10

А14Б 538.000-22

125

220

66

400,0

210,0

600,0

26,70

А14Б 538.000-23

125

220

66

400,0

210,0

600,0

27,20

А14Б 538.000-24

150

325

97,5

400,0

220,0

600,0

43,90

А14Б 538.000-25

150

325

97,5

400,0

220,0

600,0

44,60

А14Б 538.000-26

200

860

258

400,0

260,0

600,0

49,60

А14Б 538.000-27

200

860

258

400,0

260,0

600,0

50,50

А14Б 538.000-28

250

1153

345,9

400,0

290,0

600,0

51,30

А14Б 538.000-29

250

1153

345,9

400,0

290,0

600,0

51,40

 

Подбор и поставка

Уточним наличие и подготовим КП по этой позиции

Поможем с подбором исполнения, проверим доступность на складе и отправим коммерческое предложение по выбранной позиции или аналогам.

Смотрите также

Другие подкатегории раздела

Опоры подвижные трубопроводов
подвижные скользящие опоры трубопроводов. Подбор,консультация,продажа со склада в Москве, доставка по РФ
Накладка Т94 серия 4.903-10 выпуск 1 на тройники усиливающая
Накладка Т94 серия 4.903-10 выпуск 1
Крепления газопроводов УКГ Серия 5.905 - 18.05: Узлы и детали крепления газопроводов
Серия 5.905 - 18.05: Узлы и детали крепления газопроводов
Опоры водопровода в футляре
Опоры водопровода в футляре.Подбор,консультация,продажа со склада в Москве, доставка по РФ
Опоры 313.ТС-008.000 скользящие для трубопроводов в ППУ изоляции
Опоры 313.ТС-008.000 скользящие для трубопроводов в ППУ изоляции.Подбор,консультация,продажа со склада в Москве, доставка по РФ
Опоры ТД-1-487-1997.00.000 скользящие для трубопроводов в ППУ изоляции
Опоры ТД-1-487-1997.00.000 Подбор,консультация,продажа со склада в Москве, доставка по РФ
Серия 5.900-7 выпуск 3. Серия 5.900-7 выпуск 4
Серия 5.900-7 выпуск 3. Серия 5.900-7 выпуск 4.Подбор,консультация,продажа со склада в Москве, доставка по РФ
Опоры ГОСТ 30732-2006 скользящие опоры для стальных трубопроводов
Опоры ГОСТ 30732-2006/Подбор,консультация,продажа со склада в Москве, доставка по РФ