Логотип АстронЭнерго

Тройники

Тройники стальные равнопроходные и переходные. Детали для создания ответвлений от магистрального трубопровода. Штампованные (ГОСТ 17376-2001), сварные (ОСТ 36-24-77, ОСТ 34.10.762-97) и штампосварные тройники для теплосетей и нефтегазопроводов.

Подбор и поставка

Поможем подобрать исполнение и типоразмер

Уточним различия между позициями в этом разделе, проверим наличие на складе и подготовим коммерческое предложение под ваш запрос.

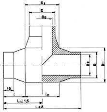
Тройники сварные равнопроходные ОСТ 34-10-762-97

Техническая характеристика: Условное давление, Ру Мпа: до 4,0 Наружный диаметр, D,мм: 325-1620 мм Температура, t°C: до +425° Материал: Ст3сп, 20, 09Г2С

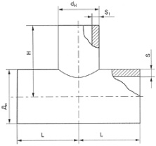
Тройники сварные переходные ОСТ 34-10-764-97

Техническая характеристика: Условное давление, Ру Мпа: до 4,0 Наружный диаметр, D,мм: 325-1620 мм Температура, t°C: до +425° Материал: Ст3сп, 20, 09Г2С

Тройники сварные ОСТ 36-24-77

Техническая характеристика: Условное давление, Ру Мпа: до 2,5 Наружный диаметр, D: 325-1620 мм Температура, t°C: От -30 до +300° Материал Ст: 3сп, 20, 09Г2С

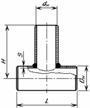
Тройники штампованные бесшовные ГОСТ 17376-83

Техническая характеристика: Условное давление, Ру Мпа: до 16 Наружный диаметр, D: 45-426 мм Температура, t°C: От -70 до +450° Материал: углеродистые, низколегированные стали

Тройники штампосварные ТУ 102-488-95

Краткая техническая характеристика: Условное давление, Ру Мпа до 10,0 Наружный диаметр, D От 530х219 до 1420х1420 Температура, t°C до -60°С Материал 20, 09Г2С

Тройники сварные ТУ 102-488-95

Tехническая характеристика: Условное давление, Ру Мпа: до 10,0 Наружный диаметр, D: От 530х219 до 1420х1420 Температура, t°C: до -60°С Материал: 20, 09Г2С

Тройники сварные без накладок ТУ 51-29-81

Техническая характеристика: Условное давление, Ру Мпа: от 5,5 до 10 МПа Наружный диаметр, D,мм: 325-720 мм Температура, t°C: - 60° Материал: Ст 20, 09Г2С,12ГС

Тройники сварные с накладками ТУ 51-29-81

Техническая характеристика: Условное давление, Ру Мпа: от 5,5 до 10 МПа Наружный диаметр, D,мм: 530х273-1420х325 мм Температура, t°C: -60°C Материал: Ст 20, 09Г2С, 09Г2ФБ

Тройники сверленые равнопроходные ОСТ 34.10.432-90

Тройники сверленые равнопроходные ОСТ 34.10.432-90. ОСТ 34.10.432-90, ГОСТ 5632., ОСТ 34-10-432-90.. Подбор по проекту, доставка по РФ.

Тройники сварные равнопроходные ОСТ 34.10.510-90

Тройники сварные равнопроходные ОСТ 34.10.510-90. ОСТ 34.10.510-90, ОСТ 34-10-510-90, ОСТ 34-10-510-90.. Подбор по проекту, доставка по РФ.

Тройники переходные с усиленным штуцером ОСТ 34.10.433-90

Краткая техническая характеристика: Условное давление, Ру Мпа 2,2 МПа (22 кгс/см2) Условный проход, Dу*dу От 15*10 до 150*32 мм Температура, t°C до +300° Материал 08Х18Н10Т, 12Х18Н10Т

Тройники сварные переходные ОСТ 36-46-81

Тройники сварные переходные ОСТ 36-46-81. ОСТ 36-46-81, ГОСТ 8731, ГОСТ 550.. Подбор по проекту, доставка по РФ.

Тройники сварные равнопроходные ОСТ 36-46-81

Тройники сварные равнопроходные ОСТ 36-46-81. ОСТ 36-46-81, ОСТ 36.46.81, ГОСТ 8731. Подбор по проекту, доставка по РФ.

Тройники сварные ТУ 1469-006-04606975-00

Тройники сварные ТУ 1469-006-04606975-00. ТУ 1469-006-04606975-00, ГОСТ 8731, ГОСТ 8733-74. Подбор по проекту, доставка по РФ.

Тройники штампованные ТУ 26-18-38-90

Тройники штампованные ТУ 26-18-38-90. ТУ 26-18-38-90, ТУ 26.18.38.90, ГОСТ 550. Подбор по проекту, доставка по РФ.

Другие подкатегории раздела

Отводы
Детали предназначаются для соединения труб из углеродистой стали при строительстве технологических трубопроводов, в том числе трубопроводов, на которые распространяются правила устройства и безопасной эксплуатации трубопроводов пара и горячей воды. Госгортехнадзора на предприятиях химической и нефтехимической промышленности.
Переходы
Переходы стальные концентрические и эксцентрические. Используются для соединения труб различных диаметров. Изготовление методом штамповки (бесшовные) или сварки (листовые) по ГОСТ 17378-2001 и ОСТ. Широкий выбор типоразмеров для любых давлений.
Фланцы
Фланцы стальные плоские и воротниковые. Соединительные части для монтажа арматуры, труб и оборудования. Фланцы по ГОСТ 12820-80, ГОСТ 12821-80 (ГОСТ 33259-2015). Различные исполнения уплотнительных поверхностей.
Заглушки, днище
Заглушки и днища эллиптические. Детали для герметичного закрытия концевых участков трубопроводов и изготовления емкостей. Эллиптические заглушки по ГОСТ 17379-2001, плоские приварные и фланцевые заглушки (АТК, ОСТ).